UA | RU
BVP Electronics Facebook-страница BVP Electronics Instagram-страница BVP Electronics Youtube-канал BVP Electronics
Київ, Україна
+38 (044) 492-13-28
+38 (067) 716-59-95
+38 (067) 251-00-86
info@bvp.com.ua
НовиниПродукціяВідгукиПрайсФотогалереяСтаттіНаші координатиПро компанію

На жаль, цієї сторінки ще немає українською мовою :(

Блоки живлення, зняті з виробництва

 
   
Дивись: дерево в плодах, а блок живлення в справах
Народна перетворювальна мудрість
Лабораторні джерела живлення
Серія Home Tools Серія Lab Tools
Серія Home Tools Серія Lab Tools
Серія Lab Mini
Серія Lab Mini
Серія BVP Серія BVP RS-232
Серія BVP Серія BVP RS-232
Блоки живлення для роботи з акумуляторними батареями 12 вольт
Серія AB Tools Серія AB Tools
Серія AB Tools
Промислові модульні випрямлячі
Серія BVP Pro RS-232 Серія BVP Pro RS-232
Серія BVP Pro RS-232
Випрямлячі для ювелірної гальваніки
Серія Lab Tools timer Серія Lab Tools ampere
Серія Lab Tools timer Серія Lab Tools ampere
Блоки живлення для роботи з бортовою напругою 12 вольт
Серія Bort Tools
Серія Bort Tools
Випрямлячі для гальванічних ванн
Серія BVP timer Серія BVP ampere
Серія BVP timer Серія BVP ampere
Серія BVP timer/ampere Серія BVP TFT
Серія BVP timer/ampere Серія BVP TFT




Лабораторні імпульсні джерела живлення в компактному корпусі Lab Mini
Максимальна вихідна потужність до 495 Вт, два цифрових індикатора - вольтметр і амперметр, маленький металевий корпус, маса - 1.6 кг. У комплекті йдуть вихідні дроти довжиною 1 метр з незнімними наконечниками типу «крокодил».
Вибір моделі:
1. Призначення:
Джерела живлення Lab Mini
Знято з виробництва!
Заміна - Lab TR
Джерела живлення серії Lab Mini застосовуються для живлення різних низковольтових пристроїв постійним струмом. Оснащені другим діапазоном струму, який дозволяє задавати та вимірювати струм у діапазоні від 0.015 до 1.5 ампер із можливістью відібражати міліампери! Невелика вага, компактні розміри, велика вихідна потужність, два цифрових індикатора, невисока вартість - все це робить ці джерела живлення зручними і універсальним у використанні.
2. Основні технічні характеристики:

Вхідна напругавід 200 до 260 В, 50 Гц
Максимальна вихідна потужність248-495 Вт
Максимальна споживана потужність (при напрузі 230 В)не більше 290-580 Вт
Коефіцієнт корисної дії (ККД)не менше 85 %
Органи керування на передній панелі2 змінних резистора та 3 тумблера
Вихідна регульована напругамодель 15V 15A: від 1 до 15 В
модель 15V 30A: від 1 до 15 В
модель 30V 8A: від 1 до 30 В
модель 30V 15A: від 1 до 30 В
Крок індикації вихідної напругидо 10 вольт - 0.05 В, більше 10 вольт - 0.1 В
Вихідний регульований струм нижнього діапазону0.015 - 1.50 А
Крок індикації вихідного струму нижнього діапазонудо 1 ампера - 5 мА, більше 1 ампера - 0.01 А
Вихідний регульований струм основного діапазонумодель 15V 15A: від 0.15 до 15 A
модель 15V 30A: від 0.3 до 30 A
модель 30V 8A: від 0.08 до 8 A
модель 30V 15A: від 0.15 до 15 А
Крок індикації вихідного струму основного діапазонумодель 15V 15A: до 10 ампер - 0.02 А, більше 10 ампер - 0.1 А
модель 15V 30A: до 10 ампер - 0.05 А, більше 10 ампер - 0.1 А
модель 30V 8A: 0.01 А
модель 30V 15A: до 10 ампер - 0.02 А, більше 10 ампер - 0.1 А
Індикація вихідних параметрівдва 3-х розрядних семисегментних індикатора
Перехід із режиму стабілізації напруги в струм
і назад в залежності від параметру навантаження
автоматичне
Індикація режимів робітрежим стабілізації напруги - світлодіод зеленого кольору, стабілізації струму - червоного
Ефективне значення пульсації вихідної напруги при навантаженні 80%не більше 300 мВ
Захист від стрибків вхідної напруги, перевантажень, перегріву, коротких замиканьавтоматичне
Охолодженняпримусове повітряне
Діапазон робочих температурвід + 5°C до + 40°C
Режим роботицілодобово
Габаритні розміри, Ш х В х Г155 х 105 х 195 мм
Маса джерела живлення1.6 кг
3. Фотографії:
Джерело живлення Lab Mini 15V 15AДжерело живлення Lab Mini 15V 30AДжерело живлення Lab Mini 30V 8AДжерело живлення Lab Mini 30V 15A
4. Інструкції користувача:
5. Відеогалерея:
6. Гарантія на джерела живлення Lab Mini - 3 роки
7. Статті:
8. Відгуки (6):
Олександр
про джерело живлення
Lab Mini 15V 15A:
Користуюся лабораторними блоками живлення для гальванічних ванн вже понад 4 роки, і можу впевнено сказати, що це одне з найзручніших рішень для невеликих гальванічних процесів. Збірка якісна, Рекомендую!
19.06.2025
Читати інші відгуки | Дивитися всі відгуки | Додати свій відгук
*Ім'я: E-mail:
Компанія: Відображати email:
*Джерело живлення:
 *Відгук:




Лабораторні джерела живлення Home Tools
Максимальна вихідна потужність до 198 Вт, плавне регулювання струму та напруги, один цифровий індикатор, пластмасовий корпус, маса – 0.9 кг. У комплекті йдуть вихідні дроти довжиною 1 метр з незнімними наконечниками типу «крокодил».
1. Призначення:
Джерела живлення Home Tools
Знято з виробництва!
Заміна - Lab Mini
Джерело живлення серії Home Tools розраховане на підключення до нього різноманітної низьковольтової електронної техніки для забезпечення радіоаматорських потреб, джерело зручне при ремонті апаратури та незамінний у лабораторних роботах. Наявність режиму стабілізації струму не тільки захищає джерело напруги від короткого замикання, а й дозволяє використовувати його для інших цілей, наприклад як пристрій для заряджання акумуляторів. Дана модель популярна у сервісних центрах з ремонту мобільних телефонів, фотоапаратів, де важлива точність установки струму та напруги: три знаки після коми. Легкий компактний корпус зручний під час роботи сервісних майстерень на виїзних роботах.
2. Основні технічні характеристики:

Вхідна напругавід 200 до 260 В, 50 Гц
Максимальна вихідна потужність198 Вт
Максимальна споживана потужність (при напрузі 230 В)230 Вт
Коефіцієнт корисної дії (ККД)не менше 85 %
Органи керування на передній панелі2 змінних резистора та 4 тумблера
Вихідна регульована напругамодель 15V 12A: від 1 до 15 В
модель 30V 6A: від 1 до 30 В
Крок індикації вихідної напругимодель 15V 12A: 0.01 В
модель 30V 6A: 0.1 В
Вихідний регульований струммодель 15V 12A: від 0.015 до 12 А
модель 30V 6A: від 0.015 до 6 А
Крок індикації вихідного струму 1-ий діапазон (0.015 - 1.5А): 0.001 А
2-ий діапазон (0.05 - Amax): 0.01 А
Індикація вихідних параметрів4-х разрядний семисегментний індикатор
Перехід із режиму стабілізації напруги в струм
і назад в залежності від параметру навантаження
автоматичне
Індикація режимів робітрежим стабілізації напруги - світлодіод зеленого кольору, стабілізації струму - червоного
Управління цифровим індикаторомтрипозиційний перемикач (V – Alimit – A)
Ефективне значення пульсації вихідної напруги при навантаженні 80%не більше 80 мВ
Захист від стрибків вхідної напруги, перевантажень, перегріву, коротких замиканьавтоматичне
Охолодженняпримусове повітряне
Діапазон робочих температурвід + 5°C до + 40°C
Режим роботицілодобово
Габаритні розміри, Ш х В х Г150 х 100 х 205 мм
Маса джерела живлення0.9 кг
3. Фотографії:
- 1, 2, 3, 4
4. Інструкції користувача:
5. Гарантія на джерела живлення Home Tools - 3 роки
6. Статті:
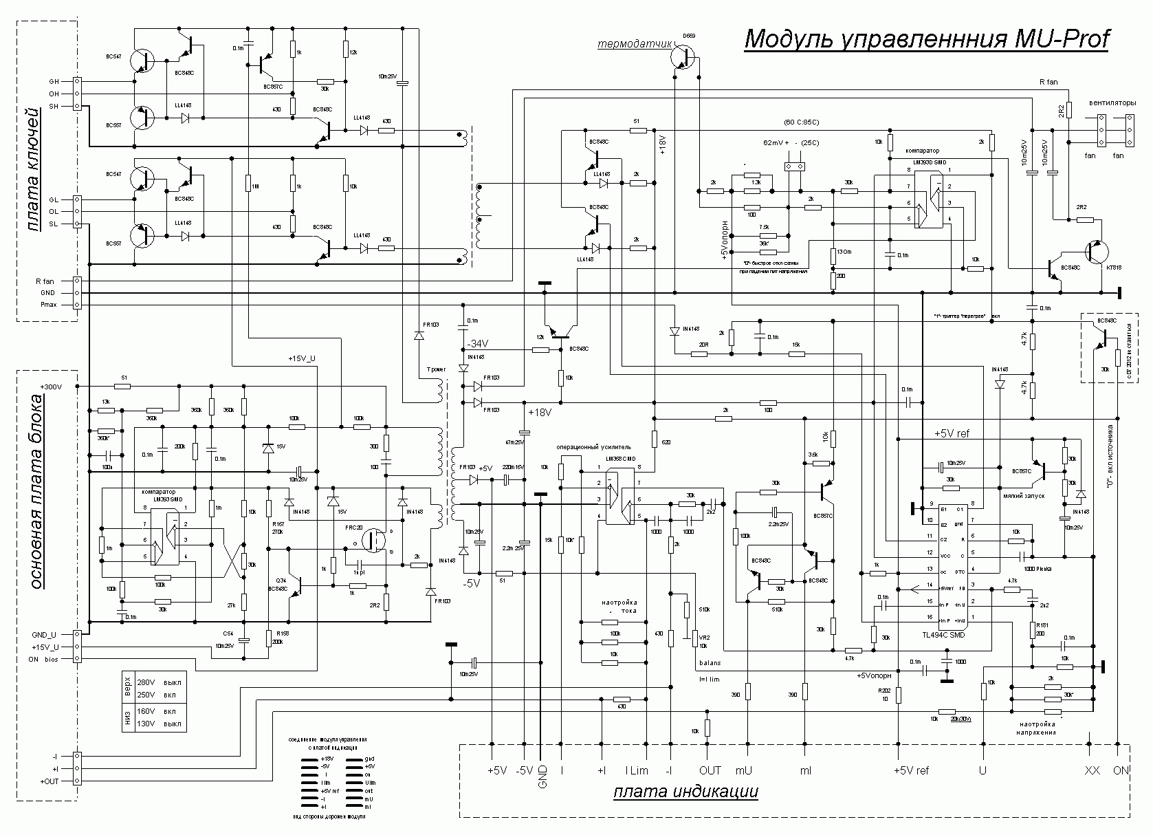
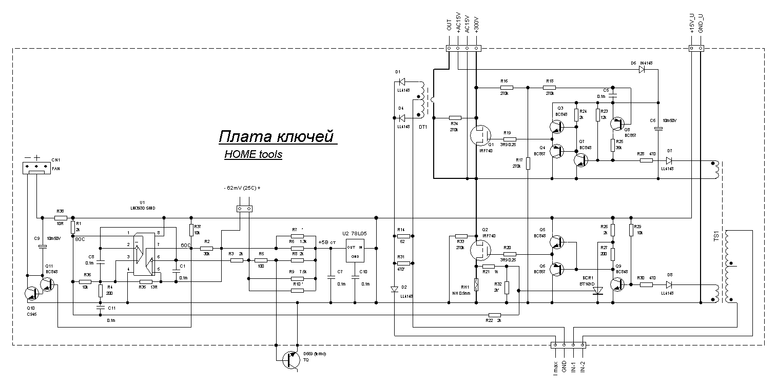
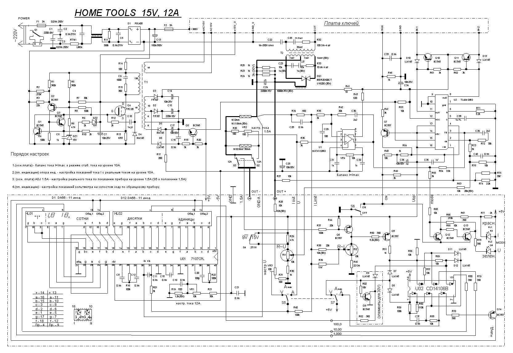
7. Схеми:
8. Метрологічна атестація:
9. Відгуки (26):
Іван
про джерело живлення
Home Tools 30V 6A:
Із власного досвіду, кращого блоку живлення не зустрічав. Використовую блок живлення з 2007 року, як в університеті для лабораторних робіт так і для власних проектів з led освітлення. Звернувся по ремонту, відремонтували швидко та якісно. Рекомендую блоки даного виробництва для використання!!! Виробнику, висловлюю особисту подяку за якісний продукт.
13.09.2022
Читати інші відгуки | Дивитися всі відгуки | Додати свій відгук
*Ім'я: E-mail:
Компанія: Відображати email:
*Джерело живлення:
 *Відгук:




Лабораторні імпульсні джерела живлення Lab Tools
Максимальна вихідна потужність до 495 Вт, плавне регулювання струму та напруги, два цифрові індикатори – вольтметр та амперметр, пластмасовий корпус, маса – 1.6 кг. У комплекті йдуть вихідні дроти довжиною 1 метр з незнімними наконечниками типу «крокодил».
1. Призначення:
Джерела живлення Lab Tools
Знято з виробництва!
Заміна - Lab Mini
Джерело живлення серії Lab Tools призначене для забезпечення стабільною напругою або струмом всіляких низьковольтних електронних пристроїв при проведенні лабораторних робіт та досліджень. Можливість точної установки вихідних значень напруги та струму, паралельна індикація цих параметрів та режиму стабілізації надає сервісні зручності під час роботи з джерелом живлення. Дана серія джерел живлення зручна при дослідженнях та розробках у області радіоелектронної техніки, при налаштуванні та ремонті радіоапаратури тощо.
2. Основні технічні характеристики:

Вхідна напругавід 200 до 260 В, 50 Гц
Максимальна вихідна потужність495 Вт
Максимальна споживана потужність (при напрузі 230 В)580 Вт
Коефіцієнт корисної дії (ККД)не менше 85 %
Органи керування на передній панелі4 змінних резистора та 2 тумблера
Вихідна регульована напругамодель 15V 30A: від 1 до 15 В
модель 30V 15A: від 1 до 30 В
Крок індикації вихідної напругидо 10 вольт - 0.05 В, більше 10 вольт - 0.1 В
Вихідний регульований струммодель 15V 30A: від 0.3 до 30 A
модель 30V 15A: від 0.15 до 15 А
Крок індикації вихідного струму модель 15V 30A: до 10 ампер - 0.05 А, більше 10 ампер - 0.1 А
модель 30V 15A: до 10 ампер - 0.02 А, більше 10 ампер - 0.1 А
Індикація вихідних параметрівдва 3-х розрядних семисегментних індикатора
Перехід із режиму стабілізації напруги в струм
і назад в залежності від параметру навантаження
автоматичне
Індикація режимів робітрежим стабілізації напруги - світлодіод зеленого кольору, стабілізації струму - червоного
Ефективне значення пульсації вихідної напруги при навантаженні 80%не більше 300 мВ
Захист від стрибків вхідної напруги, перевантажень, перегріву, коротких замиканьавтоматичне
Охолодженняпримусове повітряне
Діапазон робочих температурвід + 5°C до + 40°C
Режим роботицілодобово
Габаритні розміри, Ш х В х Г240 х 100 х 240 мм
Маса джерела живлення1.6 кг
3. Інструкції користувача:
4. Особливості джерела живлення Lab Tools
5. Гарантія на джерела живлення Lab Tools - 3 роки
6. Статті:
7. Схеми:
8. Метрологічна атестація:
9. Відгуки (16):
Вадим Олександрович
про джерело живлення
Lab Tools 15V 30A:
Більше десяти років користуюся лабораторним БЖ. Нарікань на роботу прилада не маю. Навіть коли з моєї вини сталася халепа і прилад перестав працювати, мені оперативно надали допомогу, та кваліфіковано виконали ремонт. Хочу подякувати колективу компанії "BVP Electronics" (Євгену та його колегам) за чуйне людське, неформальне ставлення до клієнтів. Дякую!
20.02.2026
Читати інші відгуки | Дивитися всі відгуки | Додати свій відгук
*Ім'я: E-mail:
Компанія: Відображати email:
*Джерело живлення:
 *Відгук:




Лабораторні джерела живлення BVP в металевому корпусі
вихідною потужністю до 1650 Вт
Максимальна вихідна потужність до 1650 Вт. Регулювання струму і напруги резисторами 'грубо' і 'плавно', два цифрових індикатора - амперметр і вольтметр, металевий корпус, маса до 4 кг.
Вибір моделі:
1. Призначення:
Джерела живлення BVP
Знято з виробництва!
Заміна - BVP TR
Лабораторні джерела живлення BVP в металевому корпусі вихідною потужністю до 1650 Вт призначені для забезпеченням стабільною напругою і струмом різноманітної низьковольтової радіоелектронної апаратури. До основних характеристик джерел даної серії можна віднести: наявність двох цифрових індикаторів амперметра і вольтметра, наявність режимів стабілізації струму чи напруги, резисторного управління ( «плавно / грубо») вихідними параметрами, можливість безперервної роботи на повній потужності, легкий металевий корпус, загальна вага джерела не перевищує 4 кг.
2. Основні технічні характеристики:

Вхідна напругавід 200 до 260 В, 50 Гц
Максимальна вихідна потужністьмодель BVP 15V 60A: 990 Вт
модель BVP 30V 30A: 990 Вт
модель BVP 60V 15A: 990 Вт
модель BVP 15V 100A: 1650 Вт
Максимальна споживана потужність (при напрузі 230 В)модель BVP 15V 60A: 1150 Вт
модель BVP 30V 30A: 1150 Вт
модель BVP 60V 15A: 1150 Вт
модель BVP 15V 100A: 1940 Вт
Коефіцієнт корисної дії (ККД)не менше 85 %
Органи керування на передній панелі4 змінних резистора та 2 тумблера
Вихідна регульована напругамодель BVP 15V 60A: від 1 до 15 В
модель BVP 30V 30A: від 1 до 30 В
модель BVP 60V 15A: від 1 до 60 В
модель BVP 15V 100A: від 1 до 15 В
Крок індикації вихідної напругидо 10 вольт - 0.05 В, більше 10 вольт - 0.1 В
Вихідний регульований струммодель BVP 15V 60A: від 0.6 до 60 A
модель BVP 30V 30A: від 0.3 до 30 A
модель BVP 60V 15A: від 0.15 до 15 А
модель BVP 15V 100A: від 1 до 100 А
Крок індикації вихідного струму модель BVP 15V 60A: 0.1 А
модель BVP 30V 30A: до 10 ампер - 0.05 А, більше 10 ампер - 0.1 А
модель BVP 60V 15A: до 10 ампер - 0.01 А, більше 10 ампер - 0.1 А
модель BVP 15V 100A: до 100 ампер - 0.1 А, більше 100 ампер - 1 А
Індикація вихідних параметрівдва 3-х розрядних семисегментних індикатора
Перехід із режиму стабілізації напруги в струм
і назад в залежності від параметру навантаження
автоматичне
Індикація режимів робітрежим стабілізації напруги - світлодіод зеленого кольору, стабілізації струму - червоного
Нестабільність вихідної напруги джерела від зміни вхідної напруги на 10% від номінального значення в режимі стабілізації напруги не перевищує0.01% Uвих за час вимірювання (1-10 сек)
Основна похибка установки і відображення величини вихідної напруги джерела1.5% Uвих одна градація молодшого розряду
Пульсації вихідної напруги джерела в режимі стабілізації напруги при навантаженні 0.9 Imax не перевищують33 мВ ефективного значення, 400 мВ амплітудного значення
Захист від стрибків вхідної напруги, перевантажень, перегріву, коротких замиканьавтоматичне
Охолодженняпримусове повітряне
Діапазон робочих температурвід + 5°C до + 40°C
Режим роботицілодобово
Габаритні розміри, Ш х В х Гмодель BVP 15V 60A: 225 х 115 х 235 мм
модель BVP 30V 30A: 225 х 115 х 235 мм
модель BVP 60V 15A: 225 х 115 х 235 мм
модель BVP 15V 100A: 275 х 115 х 240 мм
Маса джерела живленнямодель BVP 15V 60A: 2.8 кг
модель BVP 30V 30A: 2.8 кг
модель BVP 60V 15A: 2.8 кг
модель BVP 15V 100A: 3.6 кг
3. Фотографії:
Джерело живлення BVP 15V 60AДжерело живлення BVP 15V 100AДжерело живлення BVP 30V 30AДжерело живлення BVP 60V 15A
4. Інструкції користувача:
5. Відеогалерея:
6. Гарантія на джерела живлення BVP - 3 роки
7. Статті:
8. Схеми:
9. Метрологічна атестація:
10. Відгуки (29):
Юрій
про джерело живлення
BVP 15V 60A:
Багато років використовуєм різні джерела живлення компанії BVP в гальванічних процесах.Дуже стабільні і надійні пристрої. Дякуємо.
24.01.2025
Читати інші відгуки | Дивитися всі відгуки | Додати свій відгук
*Ім'я: E-mail:
Компанія: Відображати email:
*Джерело живлення:
 *Відгук:




Джерела живлення BVP у металевому корпусі з комп'ютерним керуванням через порт RS-232
Максимальна вихідна потужність 900 Вт. Цифрове керування вихідними параметрами струму та напруги, можливість керування комп'ютером через порт RS-232 комп'ютера, цифрова індикація, металевий корпус, вага - 2.8 кг.
Вибір моделі:
1. Призначення:
Джерела живлення BVP з портом RS-232
Знято з виробництва!
Заміна - BVP TBR
Лабораторні джерела живлення BVP в металевому корпусі вихідною потужністю 900 Вт призначені для забезпечення стабільною напругою живлення і струмом різної низьковольтної радіоелектронної апаратури. Відмінною рисою даної моделі є те, що керування вихідними параметрами здійснюється з передньої панелі джерела кнопками або комп'ютером через порт RS-232. Кнопкове управління має ряд переваг – більш точне встановлення необхідних параметрів, виняток випадкової зміни встановлених параметрів у ході роботи (імовірність ненароком крутанути ручку резистора набагато більше, ніж натиснути на кнопку), можливість комп'ютерного керування тощо
2. Основні технічні характеристики:

Вхідна напругавід 200 до 260 В, 50 Гц
Максимальна вихідна потужність990 Вт
Максимальна споживана потужність (при напрузі 230 В)1150 Вт
Коефіцієнт корисної дії (ККД)не менше 85 %
Органи керування на передній панелі5 кнопок та 1 тумблер
Вихідна регульована напругамодель BVP 15V 60A RS-232: від 1 до 15 В
модель BVP 30V 30A RS-232: від 1 до 30 В
модель BVP 45V 20A RS-232: від 1 до 45 В
модель BVP 60V 15A RS-232: від 1 до 60 В
Дискретність установки та відображення напруги0.1 В
Вихідний регульований струммодель BVP 15V 60A RS-232: від 0.6 до 60 A
модель BVP 30V 30A RS-232: від 0.3 до 30 A
модель BVP 45V 20A RS-232: від 0.2 до 20 Aмодель BVP 60V 15A RS-232: від 0.15 до 15 А
Дискретність установки та відображення струму0.1 А
Індикація вихідних параметрівдва 3-х розрядних семисегментних індикатора
Перехід із режиму стабілізації напруги в струм
і назад в залежності від параметру навантаження
автоматичне
Індикація режимів робітрежим стабілізації напруги - світлодіод зеленого кольору, стабілізації струму - червоного
Ефективне значення пульсації вихідної напруги при навантаженні 80%не більше 33 мВ
Захист від стрибків вхідної напруги, перевантажень, перегріву, коротких замиканьавтоматичне
Охолодженняпримусове повітряне
Діапазон робочих температурвід + 5°C до + 40°C
Режим роботицілодобово
Габаритні розміри, Ш х В х Г225 х 115 х 235 мм
Маса джерела живлення2.8 кг
3. Інструкції користувача:
4. Особливості джерела живлення BVP RS-232
5. Програмне забезпечення: Контролер
6. Гарантія на джерела живлення BVP RS-232 - 3 роки
7. Статті:
8. Схеми:
9. Метрологічна атестація:
10. Відгуки (13):
вадим
(
сто автодоктор
) про джерело живлення
BVP RS-232 15V 60A:
Вадим Черновцы Прибором очень доволен незаменимая вещь на сто где занимаються электроникой никаких сбоев за полгода ребята р е к о м е н д у ю!!!!!
19.04.2018
Читати інші відгуки | Дивитися всі відгуки | Додати свій відгук
*Ім'я: E-mail:
Компанія: Відображати email:
*Джерело живлення:
 *Відгук:




Источники питания BVP AB для работы с аккумуляторными батареями 12 вольт
Максимальная выходная мощность до 913 Вт, корректировка напряжения от 13.5В до 14.5 В, максимальный ток до 60А, два цифровых индикатора - вольтметр и амперметр, пластмассовый корпус, масса - 2.3 кг.
1. Призначення:
Блоки питания AB Tools
Знято з виробництва!
Заміна - AB TFT
Источник питания предназначен для обеспечения стабильным питающим напряжением и током аккумуляторную батарею непосредственно на автомобиле при испытаниях, ремонте автомобильного электрооборудования и аппаратуры, инсталляции автомобиля. Возможность подстройки выходного напряжения, параллельная цифровая индикация выходного напряжения и тока, а также наличие защиты источника от переполюсовки, перегрузки и короткого замыкания при подключении к аккумуляторной батарее придают сервисные удобства при работе с источником питания.
2. Основні технічні характеристики:

Вхідна напругавід 200 до 260 В, 50 Гц
Максимальна вихідна потужністьмодель 14V 30A: 420 Вт
модель 14.5V 60A: 870 Вт
Максимальна споживана потужність (при напрузі 230 В)модель 14V 30A: не більше 500 Вт
модель 14.5V 60A: не більше 1000 Вт
Коефіцієнт корисної дії (ККД)не менше 85 %
Органи керування на передній панелі1 переменный резистор и 1 тумблер
Выходное напряжениемодель 14V 30A: нерегулируемое, 14 В
модель 14.5V 60A: регулируемое, 13.5 - 14.5 В
Крок індикації вихідної напруги0.1 В
Выходной максимальный токмодель 14V 30A: 30 А
модель 14.5V 60A: 60 А
Крок індикації вихідного струму 0.1 А
Індикація вихідних параметрівдва 3-х розрядних семисегментних індикатора
Перехід із режиму стабілізації напруги в струм
і назад в залежності від параметру навантаження
автоматичне
Індикація режимів робітрежим стабілізації напруги - світлодіод зеленого кольору, стабілізації струму - червоного
Захист від стрибків вхідної напруги, перевантажень, перегріву, коротких замикань та переполюсування при підключенні до акумуляторної батареїавтоматичне
Охолодженняпримусове повітряне
Діапазон робочих температурвід + 5°C до + 40°C
Режим роботицілодобово
Габаритні розміри, Ш х В х Гмодель 14V 30A: 150 х 100 х 205 мм
модель 14.5V 60A: 240 х 100 х 240 мм
Маса джерела живленнямодель 14V 30A: 1.4 кг
модель 14.5V 60A: 2.3 кг
3. Інструкції користувача:
4. Гарантія на джерела живлення AB Tools - 3 роки
5. Статті:
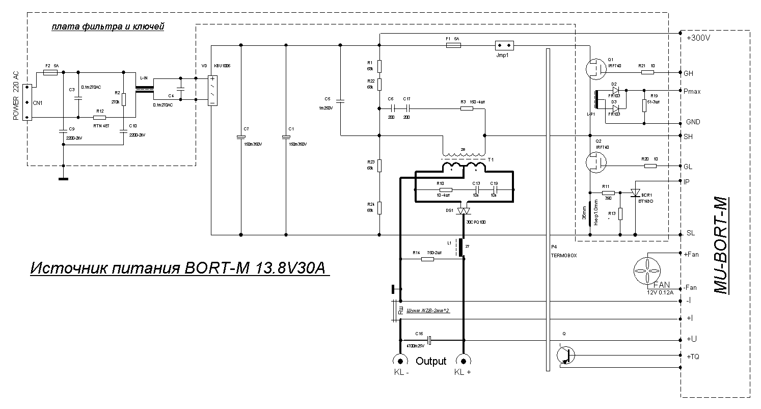
6. Схеми:
7. Відгуки (19):
Павло
про джерело живлення
AB Tools 14.5V 60A:
Короткий відеоогляд: https://www.youtube.com/watch?v=jLbnEp6j1Zo
21.07.2023
Читати інші відгуки | Дивитися всі відгуки | Додати свій відгук
*Ім'я: E-mail:
Компанія: Відображати email:
*Джерело живлення:
 *Відгук:




Блоки питания для работы с напряжением 12 вольт: Bort Tools
Максимальная выходная мощность от 200 Вт, без регулировки тока и напряжения, без индикации, пластмассовый корпус, масса - до 2 кг.
1. Призначення:
Блоки питания Bort Tools
Знято з виробництва!
Блок питания Bort Tools - это импульсный преобразователь сетевого напряжения 220V в постоянное бортовое напряжение 13.8V и током 60А. Источник питания предназначен для обеспечения стабильным питающим напряжением и током всевозможной радиоэлектронной аппаратуры, устройств автомобильной электроники, электродвигателей постоянного тока, приборов освещения и других электрических и электронных устройств, Питающее входное напряжение которых составляет 13.8 В. Источники данной модели могут применяться в стендах для демонстрации и продажи автомагнитол. Прибор в определенных случаях может заменять функции работающего автомобильного генератора. В источнике питания предусмотрена возможность параллельного включения нескольких аналогичных источников для увеличения нагрузочного тока.
2. Основні технічні характеристики:

Вхідна напругавід 200 до 260 В, 50 Гц
Максимальна вихідна потужністьмодель 13.8V 15A: 207 Вт
модель 13.8V 30A: 414 Вт
модель 13.8V 60A: 828 Вт
Максимальна споживана потужність (при напрузі 230 В)модель 13.8V 15A: не більше 240 Вт
модель 13.8V 30A: не більше 480 Вт
модель 13.8V 60A: не більше 960 Вт
Коефіцієнт корисної дії (ККД)не менше 85 %
Органи керування на передній панеліОтсутствует
Індикація вихідних параметрівОтсутствует
Выходное стабильное напряжение и максимальный токмодель 13.8V 15A: 13.8 В, 15 А
модель 13.8V 30A: 13.8 В, 30 А
модель 13.8V 60A: 13.8 В, 60 А
Индикация режимов работыв нормальном режиме - цвет зеленый
при перегрузке - цвет красный
Эффективное значение пульсации выходного напряжения при нагрузке 90%не більше 100 мВ
Электрическая изоляция между любым из контактов сетевого шнура и корпусом прибора при закороченных на корпус выходных клеммах выдерживает без пробоя испытательное напряжение1500 В эффективного значения
Захист від стрибків вхідної напруги, перевантажень, перегріву, коротких замиканьавтоматичне
Охолодженняпримусове повітряне
Діапазон робочих температурвід + 5°C до + 40°C
Режим роботицілодобово
Габаритні розміри, Ш х В х Г210 х 100 х 150 мм
Маса джерела живленнядо 2 кг
3. Інструкції користувача:
4. Гарантія на джерела живлення Bort Tools - 12 месяцев
5. Статті:
6. Схеми:
7. Відгуки (1):
Вячеслав
про джерело живлення
BortTools 13.8V 30A:
Около 5 лет назад мы закупили у BVP Electronics небольшую партию блоков питания для работы с автомобильными аккумуляторами, поскольку работаем в сфере инсталляции автомобильной электроники. Условия и режимы эксплуатации БП довольно-таки жесткие. Влажность, пыль, вибрации, падения... Так вот, за это немалое время вышел из строя только ОДИН блок питания. Именно такие блоки питания давно уже сняты с производства, поскольку им на смену компания разработала более новые, с улучшенной защитой и характеристиками в целом. НО! Даже купленный 5 лет назад блок питания от BVP зарекомендовал себя настолько хорошо, что было принято решение его отремонтировать и эксплуатировать в дальнейшем. Я повёз его на ремонт и по счастливому стечению обстоятельств попал на мини-экскурсию по производству продукции и познакомился с персоналом. Честно признаться, приятно порадовал профессионализм и уровень квалификации людей, занимающихся разработкой и изготовлением этой электроники. Скажу сразу - чувствуется скрупулезный подход ко всем вопросам, включая, казалось-бы мелочные. Так вот, все нюансы работы аппаратуры в экстремальных условиях, включая защиту от перегрузки и ошибочного подключения проработаны до мелочей. И поверьте, за эти деньги вы не найдёте аппретуры с подобными схемотехническими решениями и на соответствующей элементной базе! А то, насколько здесь работают внимательные и доброжелательные люди, это вообще отдельная история ) Большое спасибо! Так держать!
18.10.2012
Дивитися всі відгуки | Додати свій відгук
*Ім'я: E-mail:
Компанія: Відображати email:
*Джерело живлення:
 *Відгук:




Выпрямители для ювелирной гальваники: Lab Tools со встроенным таймером/секундомером
Максимальная выходная мощность до 1000 Вт, стабильное напряжение 12 В, плавная регулировка тока, два цифровых индикатора - таймера и амперметра (вольтметра), пластмассовый корпус, масса - 1.5 кг.
1. Призначення:
Блоки питания Lab Timer
Знято з виробництва!
Заміна - Lab TFT
Отличительной чертой таких источников является постоянное выходное напряжение 12В, плавная регулировка тока, наличие встроенного таймера с возможностью отключения тока нагрузки по окончанию работы таймера, снижения значения тока до 80% или продолжения протекания тока с звуковой сигнализацией, свидетельствующей об окончании работы таймера. Источник питания предназначен для обеспечения стабильным питающим током малых ванн химических процессов, преимущественно гальванических в ювелирном производстве.
2. Основні технічні характеристики:

Вхідна напругавід 200 до 260 В, 50 Гц
Максимальна вихідна потужністьмодель 12V 30A Timer: 360 Вт
модель 12V 60A Timer: 720 Вт
Максимальна споживана потужність (при напрузі 230 В)модель 12V 30A Timer: не більше 415 Вт
модель 12V 60A Timer: не більше 830 Вт
Коефіцієнт корисної дії (ККД)не менше 85 %
Органи керування на передній панелі2 переменных резистора, 2 кнопки и 2 тумблера
Выходное нерегулируемое напряжение12 В
Вихідний регульований струммодель 12V 30A Timer: от 0.5 до 30 A
модель 12V 60A Timer: от 0.5 до 60 A
Індикація вихідних параметрівдва 3-х розрядних семисегментних індикатора
Перехід із режиму стабілізації напруги в струм
і назад в залежності від параметру навантаження
автоматичне
Індикація режимів робітрежим стабілізації напруги - світлодіод зеленого кольору, стабілізації струму - червоного
Диапазон регулировки времени таймера/сек.от 1 секунды до 9 часов 59 минут
Особенности таймера/секундомера* таймер с энергонезависимой памятью
* наличие звукового сигнала по окончании работы источника
* при работе таймера на индикаторе отображается оставшееся время работы
Захист від стрибків вхідної напруги, перевантажень, перегріву, коротких замиканьавтоматичне
Охолодженняпримусове повітряне
Діапазон робочих температурвід + 5°C до + 40°C
Режим роботицілодобово
Габаритні розміри, Ш х В х Г240 х 100 х 240 мм
Маса джерела живлення1.5 кг
3. Інструкції користувача:
4. Гарантія на джерела живлення Lab Tools & Timer - 24 месяца
5. Статті:
6. Відгуки (2):
Дмитрий
(
Атлант-Винница
) про джерело живлення
LabTools 12V 60A Timer:
Хороший выпрямитель, работает без проблем, покрытия получаются отличные, рады что его купили. Спасибо
07.08.2012
Читати інші відгуки | Дивитися всі відгуки | Додати свій відгук
*Ім'я: E-mail:
Компанія: Відображати email:
*Джерело живлення:
 *Відгук:




Выпрямители для ювелирной гальваники: Lab Tools со встроенным счетчиком ампер-часов
Максимальная выходная мощность до 900 Вт, плавная регулировка тока, постоянное напряжение 12В, цифровая индикация, два встроенных счетчика ампер-часов: накопительный и счетчик-дозатор, пластмассовый корпус, масса - 1.5 кг.
1. Призначення:
Блоки питания Lab AHM
Знято з виробництва!
Заміна - Lab TFT
Источник питания предназначен для обеспечения стабильным питающим напряжением и током всевозможное электронное оборудование. Наличие встроенного счетчика ампер-часов с возможностью дозировки электричества ориентировано, в первую очередь, на электропитание малых гальванических ванн в ювелирном производстве. Возможность точной установки лимита выходного тока, параллельная цифровая индикация выходных параметров, а также режим стабилизации придает сервисные удобства при работе с источником питания. Высокая выходная мощность, небольшие габариты, стабильность параметров, возможность непрерывной работы на полной мощности источника питания позволяют использовать его во многих направлениях гальванического производства.
2. Основні технічні характеристики:

Вхідна напругавід 200 до 260 В, 50 Гц
Максимальна вихідна потужністьмодель 12V 30A ampere: 360 Вт
модель 12V 60A ampere: 720 Вт
Максимальна споживана потужність (при напрузі 230 В)модель 12V 30A ampere: не більше 415 Вт
модель 12V 60A ampere: не більше 830 Вт
Коефіцієнт корисної дії (ККД)не менше 85 %
Органи керування на передній панелі2 переменных резистора, 2 кнопки и 2 тумблера
Выходное постоянное напряжение12 В
Выходной плавно регулируемый токмодель 12V 30A ampere: от 1 до 30 A
модель 12V 60A ampere: от 1 до 60 A
Індикація вихідних параметрівдва 3-х розрядних семисегментних індикатора
Перехід із режиму стабілізації напруги в струм
і назад в залежності від параметру навантаження
автоматичне
Індикація режимів робітрежим стабілізації напруги - світлодіод зеленого кольору, стабілізації струму - червоного
Максимальна споживана потужність (при напрузі 230 В)не більше 1000 Вт
Потребляемая мощность на холостом ходуне більше 12 Вт
Диапазон регулировки счетчиков ампер-часов:

1) Накопительный счетчик:
от 0.01 до 999999.99 А/ч с индикацией трех старших значащих разрядов, и возможностью просмотра младших разрядов.

2) дневной счетчик:
от 0.01 до 999.99 А/ч с индикацией трех старших значащих разрядов. Разделительный знак - отделяет ампер-часы. Дневной счетчик может работать как накопительный, так и как счетчик-дозатор. В дозаторе ампер-часов обратный счет идет от стартового значения до нуля, при достижении нулевого значения происходит подача звукового сигнала и, в зависимости от выбранного режима:

- продолжение протекание выходного заданного тока;
- снижение выходного тока до 10% от заданного лимита тока;
- отключение выходного тока.

Дневной счетчик ампер-часов может быть использован для определения интервала между дозировками добавок в гальванической ванне.
Основна похибка установки і відображення величини вихідної напруги джерела1.5% U вых +/- одна градация младшего разряда
Основная погрешность установки и отображения величины выходного тока источника2.5% I вых +/- одна градации младшего разряда
Основная погрешность установки и отображения значений счетчика ампер-часов3.0% от выходного значения +/- одна градации младшего разряда
Пульсации выходного напряжения источника в режиме стабилизации напряжения при нагрузке 0.9 I max не превышают1.5% эффективного значения от выходного напряжения
Пульсации выходного тока источника в режиме стабилизации тока при напряжении на нагрузке 0.9 U max не превышают2.5% эффективного значения от выходного тока
Электрическая изоляция между любым из контактов сетевого шнура и корпусом прибора при закороченных на корпус выходных клеммах выдерживает без пробоя испытательное напряжение1500 В эффективного значения
Захист від стрибків вхідної напруги, перевантажень, перегріву, коротких замиканьавтоматичне
Охолодженняпримусове повітряне
Діапазон робочих температурвід + 5°C до + 40°C
Режим роботицілодобово
Габаритні розміри, Ш х В х Г240 х 100 х 240 мм
Маса джерела живлення1.5 кг
3. Інструкції користувача:
4. Гарантія на джерела живлення Lab Tools Ampere - 24 месяца
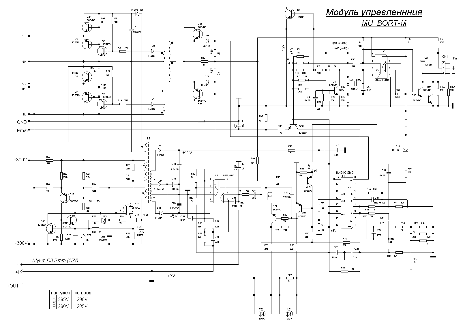
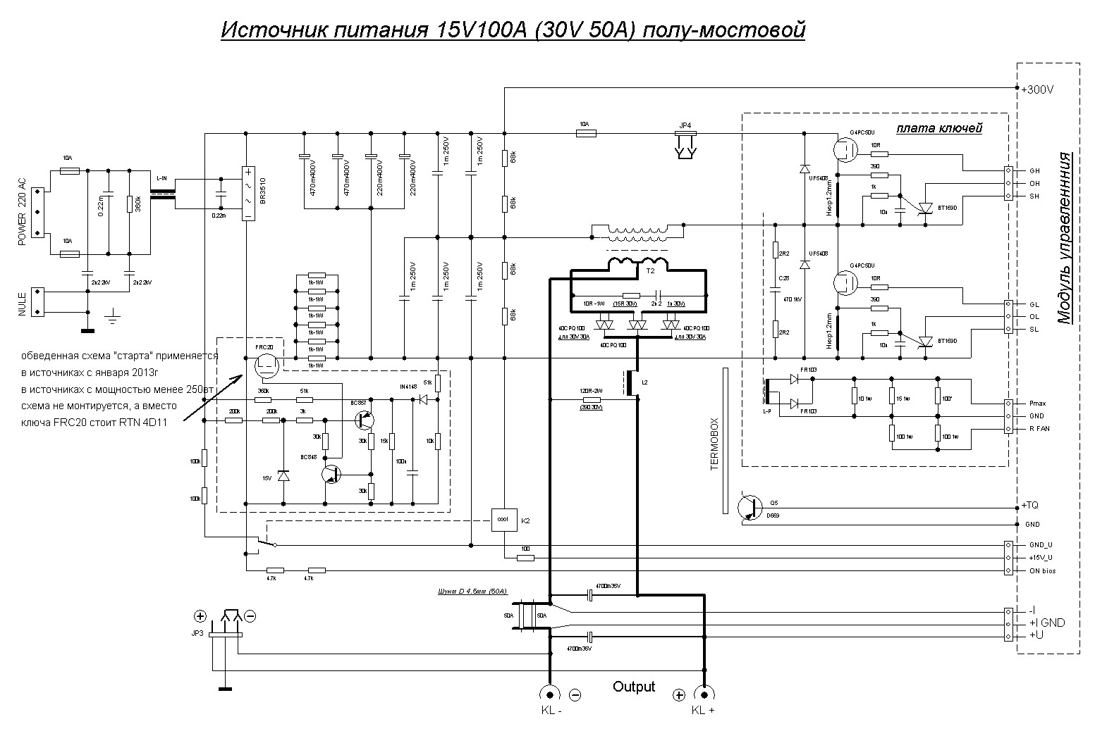
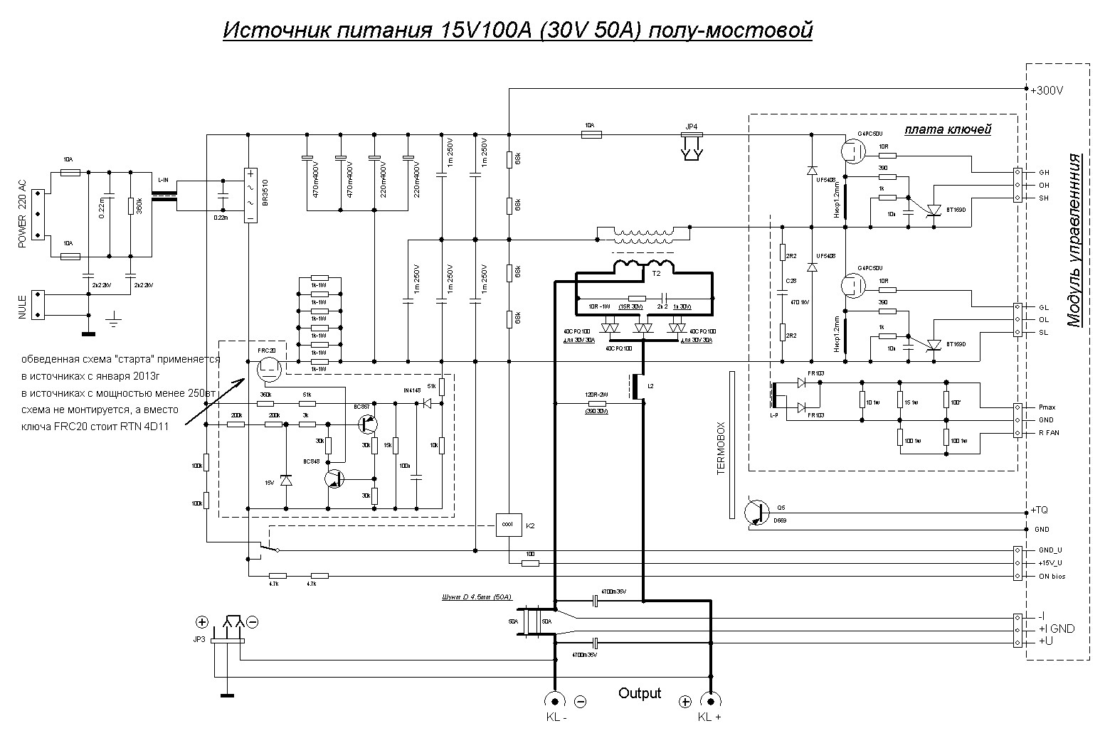
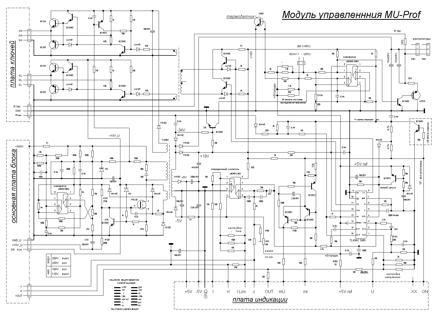
5. Схеми:
6. Відгуки (2):
Роман
(
Qvaliz
) про джерело живлення
LabTools 12V 30A Ampere:
Хочу выразить большую благодарность Светлане Безкоровайной за активное содействие в ремонте и обслуживании оборудования.
17.12.2015
Читати інші відгуки | Дивитися всі відгуки | Додати свій відгук
*Ім'я: E-mail:
Компанія: Відображати email:
*Джерело живлення:
 *Відгук:




Выпрямители для гальваники BVP в металлическом корпусе со встроенным таймером
Максимальная выходная мощность до 1500 Вт, плавная регулировка тока и напряжения, цифровая индикация, встроенный таймер, металлический корпус, масса - 3.5 кг.
1. Призначення:
Блоки питания BVP Timer
Знято з виробництва!
Заміна - BVP TBR
Выпрямитель гальванический BVP в металлическом корпусе со встроенным таймером предназначен для обеспечения стабильным питающим током малых гальванических ванн. Отличительной чертой данной модели является наличие трех цифровых индикаторов (вольтметра, амперметра и таймера), наличие встроенного таймера с возможностью отключения тока нагрузки по окончанию его работы, снижения значения тока до 10% или продолжения протекания тока со звуковой сигнализацией, свидетельствующей об окончании работы таймера. Высокая выходная мощность, стабильность параметров, возможность непрерывной круглосуточной работы на полной мощности источника питания, защита всех выводных элементов и плат специальным лаком позволяет использовать во многих отраслях промышленности в условиях агрессивной окружающей среды.
2. Основні технічні характеристики:

Вхідна напругавід 200 до 260 В, 50 Гц
Максимальна вихідна потужність1500 Вт
Максимальна споживана потужність (при напрузі 230 В)не більше 1800 Вт
Коефіцієнт корисної дії (ККД)не менше 85 %
Органи керування на передній панелі4 переменных резистора, 2 кнопки и 2 тумблера
Вихідна регульована напругамодель BVP 15V 100A Timer: от 1 до 15 В
модель BVP 30V 50A timer: от 1 до 30 В
Вихідний регульований струммодель BVP 15V 100A Timer: от 1 до 100 А
модель BVP 30V 50A timer: от 0.5 до 50 A
Індикація вихідних параметрівтри 3-х разрядных семисегментных индикатора
Перехід із режиму стабілізації напруги в струм
і назад в залежності від параметру навантаження
автоматичне
Індикація режимів робітрежим стабілізації напруги - світлодіод зеленого кольору, стабілізації струму - червоного
Диапазон регулировки времени таймера/сек.от 1 секунды до 9 часов 59 минут
Особенности таймера/секундомера* таймер с энергонезависимой памятью
* наличие звукового сигнала по окончании работы источника
* при работе таймера на индикаторе отображается оставшееся время работы
Эффективное значение пульсации выходного напряжения при нагрузке 90%не більше 33 мВ
Нестабильность выходного напряжения при изменении напряжения питающей сети 220 В на ±10% и токе нагрузки 0.8 Imaxне більше 0.01% Iвых
Нестабильность выходного напряжения на выходных клеммах при изменении тока нагрузки от холостого хода до 0.8 Imax при номинальном напряжении питающей сети 220 Вне більше 0.01% Uвых
Температурный дрейф выходного напряжения в режиме стабилизации напряженияне більше 0.02% / °С
Максимальный выброс выходного напряжения при сбросе нагрузки от 0.8 Imax до 0 в режиме стабилизации напряженияне більше 3% Uвых
Электрическая изоляция между любым из контактов сетевого шнура и корпусом прибора при закороченных на корпус выходных клеммах выдерживает без пробоя испытательное напряжение1500 В эффективного значения
Захист від стрибків вхідної напруги, перевантажень, перегріву, коротких замиканьавтоматичне
Охолодженняпримусове повітряне
Діапазон робочих температурвід + 5°C до + 40°C
Режим роботицілодобово
Габаритні розміри, Ш х В х Г275 х 115 х 260 мм
Маса джерела живлення3.5 кг
3. Інструкції користувача:
4. Особенности источников BVP Timer
5. Гарантия на источник питания BVP Timer - 24 месяца
6. Статті:
7. Метрологічна атестація:
8. Відгуки (7):
Павел
(
"МГЦ"
) про джерело живлення
BVP Timer 15V 100A:
На гальваническом производстве трудится около 20 приборов BVP. Удобное управление, индикация и соотношение цены/качества выделяются с лучшей стороны среди аналогов. Стабильность тока выше всяких похвал. Радует что ваша компания не стоит а месте, а постоянно совершенствует аппараты. Вносимые модернизации еще больше повышают и без того хорошую надежность.... Минус пожалуй только один. В слишком влажной и химически агрессивной среде, выходят из строя в течении года. Элементарно гниют соединения компонентов. По этой причине, источники лучше размещать в относительно сухом и чистом помещении, чтобы они работали дольше. Но опять же, подчеркнем, ваши модернизации (увеличения покрытия лаком плат и соединений внутри приборов к примеру) надеемся будут продлевать исправность на долгие годы.... Стоит сказать отдельное спасибо за службу поддержки. Вы всегда идете охотно на контакт и подскажете как решить проблему.
01.08.2021
Читати інші відгуки | Дивитися всі відгуки | Додати свій відгук
*Ім'я: E-mail:
Компанія: Відображати email:
*Джерело живлення:
 *Відгук:




Выпрямители для гальванических ванн BVP в металлическом корпусе со встроенными счетчиком ампер-часов
Максимальная выходная мощность до 1500 Вт, плавная регулировка тока и напряжения, цифровая индикация, два встроенных счетчика ампер-часов, металлический корпус, масса - 3.5 кг.
1. Призначення:
Блоки питания BVP AHM
Знято з виробництва!
Заміна - BVP TBR
Выпрямитель гальванический BVP в металлическом корпусе со встроенными счетчиками ампер-часов предназначен для обеспечения стабильным питающим напряжением и током всевозможное электронное оборудование. Наличие встроенных счетчиков ампер-часов с возможностью дозировки электричества ориентировано, в первую очередь, на электропитание гальванических ванн. Встроенный в блок питания счетчик ампер-часов состоит из двух работающих одновременно счетчиков: накопительного: от 0.01 до 999999.99 А/ч и дневного: от 0.01 до 999.99 А/ч. Дневной счетчик может работать как накопительный, так и как счетчик-дозатор. В дозаторе ампер-часов обратный счет идет от стартового значения до нуля, при достижении нулевого значения происходит подача звукового сигнала и, в зависимости от выбранного режима: - продолжение протекание выходного заданного тока; - снижение выходного тока до 10% от заданного лимита тока; - отключение выходного тока. Дневной счетчик ампер-часов может быть использован для определения интервала между дозировками добавок в гальванической ванне.
2. Основні технічні характеристики:

Вхідна напругавід 200 до 260 В, 50 Гц
Максимальна вихідна потужність1500 Вт
Максимальна споживана потужність (при напрузі 230 В)не більше 1800 Вт
Коефіцієнт корисної дії (ККД)не менше 85 %
Органи керування на передній панелі4 переменных резистора, 2 кнопки и 2 тумблера
Вихідна регульована напругамодель BVP 15V 100A AHM: от 1 до 15 В
модель BVP 30V 50A AHM: от 1 до 30 В
Вихідний регульований струммодель BVP 15V 100A AHM: от 1 до 100 А
модель BVP 30V 50A AHM: от 0.5 до 50 A
Індикація вихідних параметрівтри 3-х разрядных семисегментных индикатора
Перехід із режиму стабілізації напруги в струм
і назад в залежності від параметру навантаження
автоматичне
Індикація режимів робітрежим стабілізації напруги - світлодіод зеленого кольору, стабілізації струму - червоного
Потребляемая мощность на холостом ходуне більше 18 Вт
Диапазон регулировки счетчиков ампер-часов:

1) Накопительный счетчик:
от 0.01 до 999999.99 А/ч с индикацией трех старших значащих разрядов, и возможностью просмотра младших разрядов.

2) дневной счетчик:
от 0.01 до 999.99 А/ч с индикацией трех старших значащих разрядов. Разделительный знак - отделяет ампер-часы. Дневной счетчик может работать как накопительный, так и как счетчик-дозатор. В дозаторе ампер-часов обратный счет идет от стартового значения до нуля, при достижении нулевого значения происходит подача звукового сигнала и, в зависимости от выбранного режима:

- продолжение протекание выходного заданного тока;
- снижение выходного тока до 10% от заданного лимита тока;
- отключение выходного тока.

Дневной счетчик ампер-часов может быть использован для определения интервала между дозировками добавок в гальванической ванне.
Основна похибка установки і відображення величини вихідної напруги джерела1.5% U вых +/- одна градация младшего разряда
Основная погрешность установки и отображения величины выходного тока источника2.5% I вых +/- одна градации младшего разряда
Основная погрешность установки и отображения значений счетчика ампер-часов3.0% от выходного значения +/- одна градации младшего разряда
Пульсации выходного напряжения источника в режиме стабилизации напряжения при нагрузке 0.9 I max не превышают1.5% эффективного значения от выходного напряжения
Пульсации выходного тока источника в режиме стабилизации тока при напряжении на нагрузке 0.9 U max не превышают2.5% эффективного значения от выходного тока
Электрическая изоляция между любым из контактов сетевого шнура и корпусом прибора при закороченных на корпус выходных клеммах выдерживает без пробоя испытательное напряжение1500 В эффективного значения
Захист від стрибків вхідної напруги, перевантажень, перегріву, коротких замиканьавтоматичне
Охолодженняпримусове повітряне
Діапазон робочих температурвід + 5°C до + 40°C
Режим роботицілодобово
Габаритні розміри, Ш х В х Г275 х 115 х 260 мм
Маса джерела живлення3.5 кг
3. Інструкції користувача:
4. Гарантия на источник питания BVP Ampere - 24 месяца
5. Статті:
6. Схеми:
7. Відгуки (1):
Денис В. Щипкович, Уфа
про джерело живлення
BVP Ampere 15V 100A:
Купил в сентябре 2010 года блок питания BVP-15V/100A со счётчиком ампер-часов. Сделал вывод - счетчик ампер-часов + бипер вещь полезная. И хотя, конечно, можно и без него, но когда крутишься как белка в колесе потерять контроль над процессом очень легко, а этот пронзительный писк сразу встряхивает память. Кстати... В процессе работы появилась еще одна мысль - хотя бы 5 кнопок пользовательских предустановок на передней панельке очень бы пригодились. В технологическом процессе есть обязательные повторяющиеся операции - электроочистка, активация и т.д. Для каждой кнопочки можно было бы сохранить пользовательскую настройку, как в автомагнитоле. Это особенно пригодилось бы при использовании метода селективного натирания, когда руки кроме того что в перчатках, да еще и занятые (держать и крутить деталь, анод и т.п.). В таком случае крутить туда-сюда ручки бывает немного не удобно. А представьте заказ из 10-15 одинаковых деталюшек... Сам источник питания работает отлично (тьфу, тьфу, тьфу налево), не пожалел ни разу. Спасибо Вам еще раз.
12.10.2010
Дивитися всі відгуки | Додати свій відгук
*Ім'я: E-mail:
Компанія: Відображати email:
*Джерело живлення:
 *Відгук:




Выпрямители для гальванических ванн BVP в металлическом корпусе со встроенными таймером и счетчиком ампер-часов одновременно!
Максимальная выходная мощность до 1650 Вт, цифровая индикация, кнопочное управление, встроенный таймер/секундомер, два счетчика ампер-часов (ампер-минут), счетчик ватт-часов и ватт-метр, металлический корпус, масса до 4 кг. Для блоков питания с выходным током до 40 ампер в комплекте идут выходные провода длинной 1 метр с несъемными наконечниками типа «крокодил».
Вибір моделі:
1. Призначення:
Блоки питания BVP timer/ampere
Знято з виробництва!
Заміна - Lab TFT
/ BVP TBR
Источник питания применяется в различных областях: от исследовательских лабораторий и ремонтного производства до гальванопластики и ювелирной промышленности, в том числе в гальваническом производстве для защитно-декоративных покрытий. Особенностью источников является наличие встроенных таймера и универсального счетчика, работающих одновременно. Единица измерения счетчика - ампер-часы, ампер-минуты и ватт-часы. Небольшая выходная мощность, наличие таймера и счетчика в источнике ориентировано, в первую очередь, на электропитание малых гальванических ванн. Ровная без импульсов стабилизированная форма напряжения с низким уровнем пульсаций, возможность работы в стабилизации одного из выходных параметров длительное время благоприятно влияют на качество гальванических покрытий.
2. Основні технічні характеристики:

Вхідна напругавід 200 до 260 В, 50 Гц
Максимальна вихідна потужністьмодель BVP 30V 1.5A timer/ampere: 50 Вт
модель BVP 15V 15A timer/ampere: 248 Вт
модель BVP 15V 30A timer/ampere: 495 Вт
модель BVP 15V 60A timer/ampere: 990 Вт
модель BVP 30V 30A timer/ampere: 990 Вт
модель BVP 15V 100A timer/ampere: 1650 Вт
модель BVP 30V 50A timer/ampere: 1650 Вт Вт
Максимальна споживана потужність (при напрузі 230 В)модель BVP 30V 1.5A timer/ampere: 58 Вт
модель BVP 15V 15A timer/ampere: 290 Вт
модель BVP 15V 30A timer/ampere: 580 Вт
модель BVP 15V 60A timer/ampere: 1150 Вт
модель BVP 30V 30A timer/ampere: 1150 Вт
модель BVP 15V 100A timer/ampere: 1940 Вт
модель BVP 30V 50A timer/ampere: 1940 Вт Вт
Коефіцієнт корисної дії (ККД)не менше 85 %
Органи керування на передній панелі4 кнопки и 1 тумблер
Вихідна регульована напругамодель BVP 30V 1.5A timer/ampere: от 0.5 до 31.5 В
модель BVP 15V 15A timer/ampere: от 0.5 до 15.7 В
модель BVP 15V 30A timer/ampere: от 0.5 до 15.7 В
модель BVP 15V 60A timer/ampere: от 0.5 до 15.7 В
модель BVP 30V 30A timer/ampere: от 0.5 до 31.5 В
модель BVP 15V 100A timer/ampere: от 0.5 до 15.7 В
модель BVP 30V 50A timer/ampere: от 0.5 до 31.5 В
Дискретність установки та відображення напругидо 10 вольт - 0.01 В, свыше 10 вольт - 0.1 В
Вихідний регульований струммодель BVP 30V 1.5A timer/ampere: от 0.015 до 1.57 A
модель BVP 15V 15A timer/ampere: от 0.15 до 15.7 A
модель BVP 15V 30A timer/ampere: от 0.3 до 31.5 A
модель BVP 15V 60A timer/ampere: от 0.6 до 63 A
модель BVP 30V 30A timer/ampere: от 0.3 до 31.5 A
модель BVP 15V 100A timer/ampere: от 1 до 105 А
модель BVP 30V 50A timer/ampere: от 0.5 до 52.5 A
Дискретність установки та відображення струмумодель BVP 30V 1.5A timer/ampere: до 1 A - 1 мА, свыше 1 A - 10 мА
модель BVP 15V 15A timer/ampere: до 10 A - 0.01 А, свыше 10 A - 0.1 А
модель BVP 15V 30A timer/ampere: до 10 A - 0.05 А, свыше 10 A - 0.1 А
модель BVP 15V 60A timer/ampere: 0.1 А
модель BVP 30V 30A timer/ampere: до 10 A - 0.05 А, свыше 10 A - 0.1 А
модель BVP 15V 100A timer/ampere: до 100 A - 0.5 А, свыше 100 A - 1 А
модель BVP 30V 50A timer/ampere: 0.1 А
Индикация выходных параметров, для блоков < 1000 Втдва 3-х разрядных семисегментных индикатора с плавающим разделительным знаком: слева отображается таймер-секундомер (счетчик амперчасов/ваттметр), справа - вольтметр/амперметр
Индикация выходных параметров, для блоков > 1000 Вттри 3-х разрядных семисегментных индикатора с плавающим разделительным знаком: слева отображается вольтметр, по центру - таймер-секундомер (счетчик амперчасов/ваттметр), а справа - амперметр
Перехід із режиму стабілізації напруги в струм
і назад в залежності від параметру навантаження
автоматичне
Індикація режимів робітрежим стабілізації напруги - світлодіод зеленого кольору, стабілізації струму - червоного
Диапазон регулировки времени таймера/секундомераот 1 секунды до 9 часов 59 минут
Особенности таймера/секундомератаймер работает в часовом исчислении
Единица измерения универсального счетчикаампер-часы; ампер-минуты; ватт-часы в десятичной системе исчисления
Диапазон регулировки универсального счетчика:

1) Накопительный счетчик:
от 0.001 до 999 999.999 ампер-часов или ватт-часов с индикацией трех старших значащих разрядов, и возможностью просмотра младших разрядов;
от 0.01 до 999 999.59 ампер-минут с индикацией трех старших значащих разрядов, и возможностью просмотра младших разрядов.

2) дневной счетчик:
от 0.001 до 999.999 ампер-часов или ватт-часов с индикацией трех старших значащих разрядов;
от 0.01 до 999.59 ампер-минут с индикацией трех старших значащих разрядов.

Дневной счетчик может работать как накопительный, так и как счетчик-дозатор. В дозаторе обратный счет идет от стартового значения до нуля, при достижении нулевого значения происходит подача звукового сигнала: повторяющийся длинный сигнал.
Програмований режим закінчення роботи таймера або лічильника-дозатора при досягненні нуля- продовження протікання вихідного заданого струму;
- зниження вихідного струму до 10% від заданого ліміту струму;
- відключення вихідного струму;
Звукове сповіщення може бути відключено через меню блоку.
Захист від стрибків вхідної напруги, перевантажень, перегріву, коротких замиканьавтоматичне
Охолодженняпримусове повітряне
Діапазон робочих температурвід + 5°C до + 40°C
Режим роботикруглосуточно на полной мощности
Габаритні розміри, Ш х В х Гмодель BVP 30V 1.5A timer/ampere: 225 х 115 х 235 мм
модель BVP 15V 15A timer/ampere: 225 х 115 х 235 мм
модель BVP 15V 30A timer/ampere: 225 х 115 х 235 мм
модель BVP 15V 60A timer/ampere: 225 х 115 х 235 мм
модель BVP 30V 30A timer/ampere: 225 х 115 х 235 мм
модель BVP 15V 100A timer/ampere: 275 х 115 х 260 мм
модель BVP 30V 50A timer/ampere: 275 х 115 х 260 мм
Маса джерела живленнямодель BVP 30V 1.5A timer/ampere: 2.2 кг
модель BVP 15V 15A timer/ampere: 2.3 кг
модель BVP 15V 30A timer/ampere: 2.6 кг
модель BVP 15V 60A timer/ampere: 2.8 кг
модель BVP 30V 30A timer/ampere: 2.8 кг
модель BVP 15V 100A timer/ampere: 4 кг
модель BVP 30V 50A timer/ampere: 4 кг
3. Інструкції користувача:
4. Програмне забезпечення: BVP Controller
5. Гарантия на источник питания BVP timer/ampere - 3 роки
6. Статті:
7. Схеми:
8. Відгуки (7):
Валентин
про джерело живлення
BVP timer/ampere 15V 15A:
На виробництві працює два блоки BVP, якщо не помиляюсь, то один з них вже 6 років працює без зауважень. Беремо новий, більш потужний на 60А. Використовуємо під час роботи і таймер і лічильник, дуже задоволені.
31.08.2023
Читати інші відгуки | Дивитися всі відгуки | Додати свій відгук
*Ім'я: E-mail:
Компанія: Відображати email:
*Джерело живлення:
 *Відгук:




Джерела живлення в металевому корпусі з TFT-дисплеєм BVP TFT
Максимальна вихідна потужність 990-1650 Вт, всі параметри блоку виводяться на TFT-дисплей, маса - до 4 кг, виносний датчик температури і вбудоване реле-терморегулятора, порт RS-485 для віддаленого керування з ПК. Для блоків живлення з вихідним струмом до 40 ампер в комплекті йдуть вихідні дроти довжиною 1 метр з незнімними наконечниками типу «крокодил».
Вибір моделі:
1. Призначення:
Джерела живлення BVP TFT
Знято з виробництва!
Заміна - BVP TBR
Джерела живлення серії BVP TFT створені на основі блоків живлення серії timer / ampere, доповнені 2.4-2.8" дюймовим екраном, що дозволяє бачити всі параметри блоку живлення одночасно! Більш того, на екран виводиться поточна вихідна потужність, а також показання виносного датчика температури! Останній може використовуватися не тільки для моніторингу температури будь-якого об'єкта, але і функціонувати як терморегулятор за допомогою вбудованого реле! Це дозволяє додатково використовувати блок живлення для контролю температури, наприклад, гальванічної ванни з можливістю вмикати-вимикати нагрівач або охолоджувач.
2. Основні технічні характеристики:

Вхідна напругавід 200 до 260 В, 50 Гц
Максимальна вихідна потужністьмодель BVP TFT 15V 60A: 990 Вт
модель BVP TFT 30V 30A: 990 Вт
модель BVP TFT 45V 20A: 990 Вт
модель BVP TFT 60V 15A: 990 Вт
модель BVP TFT 15V 100A: 1650 Вт
модель BVP TFT 30V 50A: 1650 Вт
модель BVP TFT 60V 25A: 1650 Вт
Максимальна споживана потужність (при напрузі 230 В)модель BVP TFT 15V 60A: 1150 Вт
модель BVP TFT 30V 30A: 1150 Вт
модель BVP TFT 45V 20A: 1150 Вт
модель BVP TFT 60V 15A: 1150 Вт
модель BVP TFT 15V 100A: 1940 Вт
модель BVP TFT 30V 50A: 1940 Вт
модель BVP TFT 60V 25A: 1940 Вт
Коефіцієнт корисної дії (ККД)не менше 85 %
Органи керування на передній панелі4 кнопки та 1 тумблер
Вихідна регульована напругамодель BVP TFT 15V 60A: від 0.5 до 15.7 В
модель BVP TFT 30V 30A: від 0.5 до 31.5 В
модель BVP TFT 45V 20A: від 0.5 до 47.5 В
модель BVP TFT 60V 15A: від 0.5 до 63 В
модель BVP TFT 15V 100A: від 0.5 до 15.7 В
модель BVP TFT 30V 50A: від 0.5 до 31.5 В
модель BVP TFT 60V 25A: від 0.5 до 62.5 В
Дискретність установки та відображення напругимодель BVP TFT 15V 60A: 0.01 В
модель BVP TFT 30V 30A: 0.05 В
модель BVP TFT 45V 20A: 0.5 В
модель BVP TFT 60V 15A: 0.5 В
модель BVP TFT 15V 100A: 0.05 В
модель BVP TFT 30V 50A: 0.05 В
модель BVP TFT 60V 25A: 0.5 В
Вихідний регульований струммодель BVP TFT 15V 60A: від 0.6 до 63 А
модель BVP TFT 30V 30A: від 0.3 до 31.5 А
модель BVP TFT 45V 20A: від 0.2 до 21 А
модель BVP TFT 60V 15A: від 0.15 до 15.7 А
модель BVP TFT 15V 100A: від 1 до 105 А
модель BVP TFT 30V 50A: від 0.5 до 52.5 А
модель BVP TFT 60V 25A: від 0.25 до 26.2 А
Дискретність установки та відображення струмумодель BVP TFT 15V 60A: 0.1 А
модель BVP TFT 30V 30A: 0.05 А
модель BVP TFT 45V 20A: 0.1 A
модель BVP TFT 60V 15A: 0.01 А
модель BVP TFT 15V 100A: 0.5 А
модель BVP TFT 30V 50A: 0.1 А
модель BVP TFT 60V 25A: 0.05 А
Індикація вихідних параметрівмодель BVP TFT 15V 60A: 2.4" TFT-дисплей
модель BVP TFT 30V 30A: 2.4" TFT-дисплей
модель BVP TFT 45V 20A: 2.4" TFT-дисплей
модель BVP TFT 60V 15A: 2.4" TFT-дисплей
модель BVP TFT 15V 100A: 2.8" TFT-дисплей
модель BVP TFT 30V 50A: 2.8" TFT-дисплей
модель BVP TFT 60V 25A: 2.8" TFT-дисплей
Роздільна здатність TFT-дисплея320 на 240 пікселів
Перехід із режиму стабілізації напруги в струм
і назад в залежності від параметру навантаження
автоматичне
Індикація режимів робітрежим стабілізації напруги - світлодіод зеленого кольору, стабілізації струму - червоного
Діапазон часу таймера / секундоміравід 1 секунди до 1000 годин
Діапазон дозатора або лічильника ампер-годинвід 0.001 до 10000 А*годин
Одиниця виміру універсального лічильникаампер-години; ампер-хвилини; ват-години; поточна вихідна потужність
Програмований режим закінчення роботи таймера або лічильника-дозатора при досягненні нуля- продовження протікання вихідного заданого струму;
- зниження вихідного струму до 10% від заданого ліміту струму;
- відключення вихідного струму;
Звукове сповіщення може бути відключено через меню блоку;
Звукове сповіщення може бути вимкнено через меню блоку.
Пам'ять налаштувань9 значень лімітів напруги і струму
USB-порт на передній панелідля зарядки будь-яких мобільних пристроїв, максимальний струм 0,5 ампера (при необхідності цей порт можна використовувати як додаткове стабілізоване нерегульоване джерело живлення на 5 вольт)
Датчик температурикремнієвий NTC-термістор 3900K номіналом 103
Діапазон відображення температуривід -30 до +110 °C
Дискретність відображення температури0.5 - 1.0 °C
Діапазон регулювання терморегуляторавід -9 до +90 °C
Дискретність відображення ваттметра0.1 Вт
Віддалене керуванняпорт RS-485 для управління з ПК
Захист від стрибків вхідної напруги, перевантажень, перегріву, коротких замиканьавтоматичне
Охолодженняпримусове повітряне
Діапазон робочих температурвід + 5°C до + 40°C
Режим роботицілодобово
Габаритні розміри, Ш х В х Гмодель BVP TFT 15V 60A: 225 х 115 х 235 мм
модель BVP TFT 30V 30A: 225 х 115 х 235 мм
модель BVP TFT 45V 20A: 225 х 115 х 235 мм
модель BVP TFT 60V 15A: 225 х 115 х 235 мм
модель BVP TFT 15V 100A: 275 х 115 х 240 мм
модель BVP TFT 30V 50A: 275 х 115 х 240 мм
модель BVP TFT 60V 25A: 275 х 115 х 240 мм
Маса джерела живленнямодель BVP TFT 15V 60A: 2.7 кг
модель BVP TFT 30V 30A: 2.7 кг
модель BVP TFT 45V 20A: 2.7 кг
модель BVP TFT 60V 15A: 2.7 кг
модель BVP TFT 15V 100A: 4 кг
модель BVP TFT 30V 50A: 4 кг
модель BVP TFT 60V 25A: 4 кг
3. Фотографії:
Джерело живлення BVP TFT 15V 60AДжерело живлення BVP TFT 15V 100AДжерело живлення BVP TFT 30V 30AДжерело живлення BVP TFT 30V 50AДжерело живлення BVP TFT 45V 20AДжерело живлення BVP TFT 60V 15AДжерело живлення BVP TFT 60V 25A
4. Інструкції користувача:
5. Відеогалерея:
6. Програмне забезпечення: BVP Controller
7. Гарантія на джерела живлення BVP TFT - 3 роки
8. Статті:
9. Відгуки (6):
Ігор
про джерело живлення
BVP TFT 15V 60A:
Користуюся цим блоком живлення більше року дуже гарно зарекомендував себе до цього використовував 15/30 теж дуже задоволений. Рекомендую кращого в нас не знайти
22.01.2025
Читати інші відгуки | Дивитися всі відгуки | Додати свій відгук
*Ім'я: E-mail:
Компанія: Відображати email:
*Джерело живлення:
 *Відгук:




Промышленные модульные источники питания BVP Pro с выходной мощностью от 1.5 до 9 кВт
Максимальная выходная мощность до 9000 Вт, модульная конструкция.
1. Призначення:
Блоки питания BVP Pro
Знято з виробництва!
Заміна - BVP Prof
Модульные источники питания предназначены для питания постоянным током технологическое оборудование. Изготавливается с диапазоном установки тока от 100А до 600А (модель BVP Pro 15V100A) и напряжения от 30В до 180В (модель BVP Pro 30V50A). Источники состоят из модулей фиксированной мощности. Максимальная выходная мощность определяется количеством силовых модулей. Источники управляются как в ручном (с передней панели головного модуля) так и программируемом режимах. Модульная конструкция предполагает как параллельное, так и последовательное подключение модулей
2. Спецификация выходных данных

Вхідна напругавід 200 до 260 В, 50 Гц
Максимальна вихідна потужністьдо 9000 Вт
Коефіцієнт корисної дії (ККД)не менше 85 %
Органи керування на передній панелі5 кнопок та 1 тумблер
Крок індикації вихідної напруги0.1 В
Крок індикації вихідного струму модель BVP Pro 15V 100A RS-232: 1 А
модель BVP Pro 30V 50A RS-232: 0.1 А
Індикація вихідних параметрівдва 3-х розрядних семисегментних індикатора
Перехід із режиму стабілізації напруги в струм
і назад в залежності від параметру навантаження
автоматичне
Індикація режимів робітрежим стабілізації напруги - світлодіод зеленого кольору, стабілізації струму - червоного
Нестабильность выходного напряжения источника от изменения входного напряжения на 10% от номинального значения в режиме стабилизации напряжения не превышает0.01% Uвих за час вимірювання (1-10 сек)
Основна похибка установки і відображення величини вихідної напруги джерела1.5% Uвих одна градація молодшого розряду
Пульсації вихідної напруги джерела в режимі стабілізації напруги при навантаженні 0.9 Imax не перевищують:33 мВ ефективного значення, 400 мВ амплітудного значення
Захист від стрибків вхідної напруги, перевантажень, перегріву, коротких замиканьавтоматичне
Охолодженняпримусове повітряне
Діапазон робочих температурвід + 5°C до + 40°C
Режим роботицілодобово
В/А \ количество модулей1 головной23456
Параллельное подключение модулей 15В - 100А15В - 100А15В - 200А15В - 300А15В - 400А15В - 500А15В - 600А
Последовательное подключение модулей 15В - 100А15В - 100А30В - 100А45В - 100А60В - 100А75В - 100А90В - 100А
Параллельное подключение модулей 30В - 50А30В - 50А30В - 100А30В - 150А30В - 200А30В - 250А30В - 300А
Последовательное подключение модулей 30В - 50А30В - 50А60В - 50А90В - 50А120В - 50А150В - 50А180В - 50А
Максимальна вихідна потужність1500 Вт3000 Вт4500 Вт6000 Вт7500 Вт9000 Вт
Высота (ширина - 275мм, глубина - 260мм)115 мм230 мм345 мм460 мм575 мм690 мм
Вес4 кг7.8 кг11.6 кг15.4 кг19.2 кг23 кг
3. Інструкції користувача:
4. Гарантия на источник питания BVP Pro - 24 месяца
5. Статті:
6. Схеми:
7. Метрологічна атестація:
8. Відгуки (2):
Оксана
про джерело живлення
BVP Pro 15V 100A RS-232:
Выпрямитель BVP Pro 15V 100A RS-232 брался два года назад для процесса электрорафинирования металлов. Нареканий в работе нет: все рабоает без сбоев, кнопочное управление действительно удобно, есть возможность докупить дополнительные модули для увеличения напряжения или тока, тихий, компактный. Любые возникающие вопросы в процессе работы можно решить с менеджером, т.е. вас не бросают на произвол судьбы (за что огромное спасибо). Так же работала на предприятии,где данных выпрямителей уже, как минумум, штук 20 (первые 7, из которых были закуплены в далеком 2005 и которые работают по сей день). Опять же к работе выпрямителей нет вопросов. Самое главное при выборе необходимого вам оборудования следует внимательно отнестись к тем условиям, в которых оно будет использоваться. Иногда руководители фирм, пытаясь съекономить, покупают более дешевый вариант "лабораторный", хотя планируют использовать выпрямители в агрессивных цеховых условиях
25.10.2019
Читати інші відгуки | Дивитися всі відгуки | Додати свій відгук
*Ім'я: E-mail:
Компанія: Відображати email:
*Джерело живлення:
 *Відгук:



BVP Electronics       E-mail: info@bvp.com.ua
Київ, Україна, тел/ф.: +38 (044) 492-13-28; +38 (067) 716-59-95; +38 (067) 251-00-86
Лабораторні імпульсні стабілізовані джерела живлення. Перетворювачі напруги.