 |
На жаль, цієї сторінки ще немає українською мовою :(
Блоки живлення, зняті з виробництва
|
|
| |
|
Блок живлення - не розкіш, розкіш - обладнання до нього. Народна перетворювальна мудрість |
|
|
|
|
| Лабораторні джерела живлення Home Tools |
| Максимальна вихідна потужність до 198 Вт, плавне регулювання струму та напруги, один цифровий індикатор, пластмасовий корпус, маса – 0.9 кг. У комплекті
йдуть вихідні дроти довжиною 1 метр з незнімними наконечниками типу «крокодил». | | 1. Призначення: |
Джерело живлення серії Home Tools розраховане на підключення до нього різноманітної низьковольтової електронної техніки для забезпечення радіоаматорських потреб, джерело зручне
при ремонті апаратури та незамінний у лабораторних роботах. Наявність режиму стабілізації струму не тільки захищає джерело напруги від короткого замикання, а й дозволяє використовувати його для інших
цілей, наприклад як пристрій для заряджання акумуляторів. Дана модель популярна у сервісних центрах з ремонту мобільних телефонів, фотоапаратів, де важлива точність установки струму та напруги: три
знаки після коми. Легкий компактний корпус зручний під час роботи сервісних майстерень на виїзних роботах. |
2. Основні технічні характеристики:
| Вхідна напруга | від 200 до 260 В, 50 Гц |
| Максимальна вихідна потужність | 198 Вт |
| Максимальна споживана потужність (при напрузі 230 В) | 230 Вт |
| Коефіцієнт корисної дії (ККД) | не менше 85 % |
| Органи керування на передній панелі | 2 змінних резистора та 4 тумблера |
| Вихідна регульована напруга | модель 15V 12A: від 1 до 15 В модель 30V 6A: від 1 до 30 В |
| Крок індикації вихідної напруги | модель 15V 12A: 0.01 В модель 30V 6A: 0.1 В |
| Вихідний регульований струм | модель 15V 12A: від 0.015 до 12 А модель 30V 6A: від 0.015 до 6 А |
| Крок індикації вихідного струму | 1-ий діапазон (0.015 - 1.5А): 0.001 А 2-ий діапазон (0.05 - Amax): 0.01 А |
| Індикація вихідних параметрів | 4-х разрядний семисегментний індикатор |
Перехід із режиму стабілізації напруги в струм і назад в залежності від параметру навантаження | автоматичне |
| Індикація режимів робіт | режим стабілізації напруги - світлодіод зеленого кольору, стабілізації струму - червоного |
| Управління цифровим індикатором | трипозиційний перемикач (V – Alimit – A) |
| Ефективне значення пульсації вихідної напруги при навантаженні 80% | не більше 80 мВ |
| Захист від стрибків вхідної напруги, перевантажень, перегріву, коротких замикань | автоматичне |
| Охолодження | примусове повітряне |
| Діапазон робочих температур | від + 5°C до + 40°C |
| Режим роботи | цілодобово |
| Габаритні розміри, Ш х В х Г | 150 х 100 х 205 мм |
| Маса джерела живлення | 0.9 кг |
|
3. Фотографії:
|
4. Інструкції користувача:
|
| 5. Гарантія на джерела живлення Home Tools - 3 роки |
6. Статті:
|
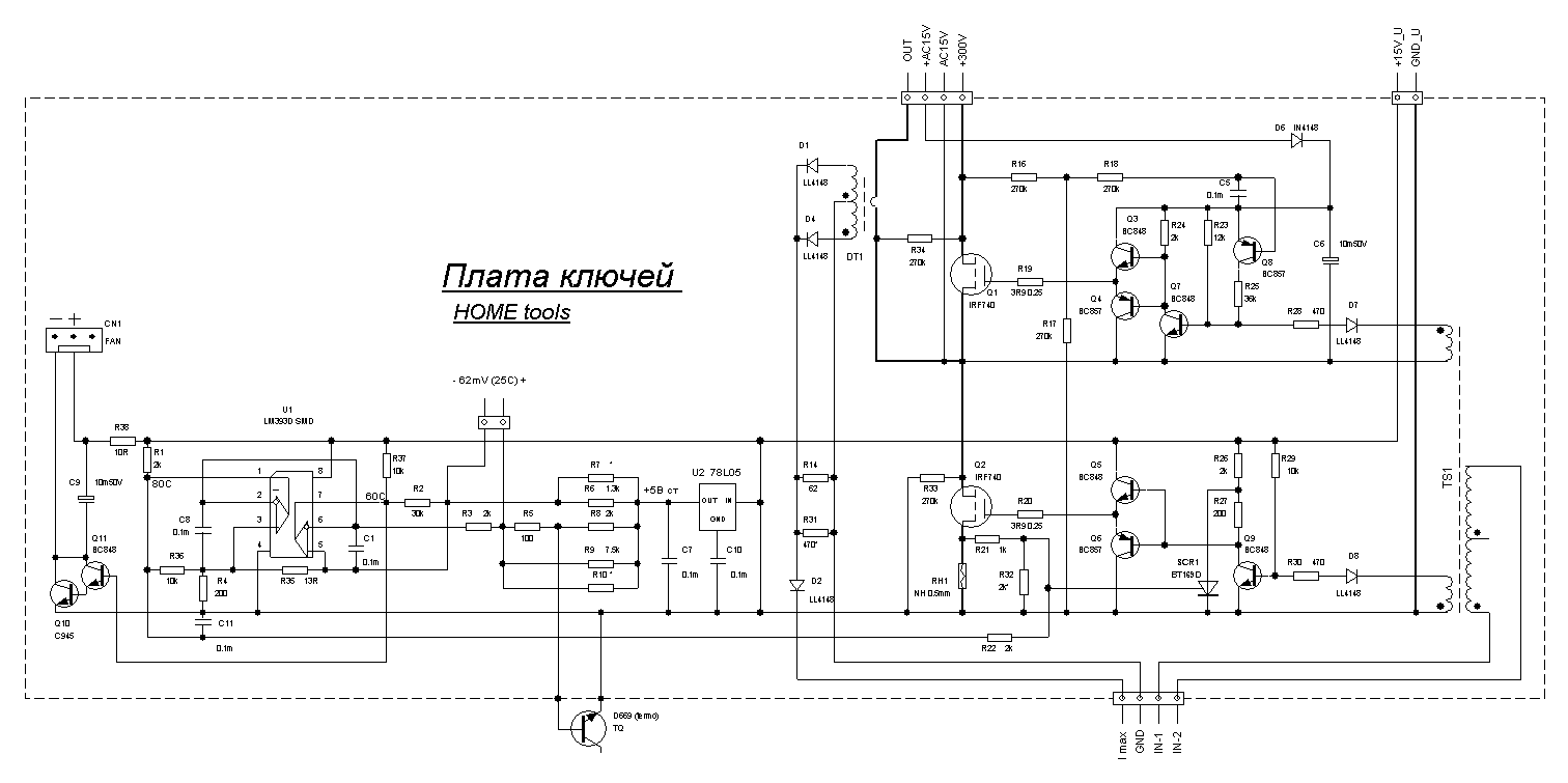
7. Схеми:
|
8. Метрологічна атестація:
| 9. Відгуки (26):
Іван про джерело живлення Home Tools 30V 6A: |
Із власного досвіду, кращого блоку живлення не зустрічав. Використовую блок живлення з 2007 року, як в університеті для лабораторних робіт так і для власних проектів з led освітлення. Звернувся по ремонту, відремонтували швидко та якісно.
Рекомендую блоки даного виробництва для використання!!!
Виробнику, висловлюю особисту подяку за якісний продукт. | | 13.09.2022 |
Вячеслав про джерело живлення Home Tools 15V 12A: |
Хочу поблагодарить за быстрый ремонт старичка, который приобретался еще в далеких 2000-ых и служил верой и правдой много лет. Аппарат снова в строю, банально вышли из строя потенциометры. Ремонт сделали в течении дня и + пересылка Новой Почтой. Спасибо огромное за поддержку! | | 18.02.2020 |
Игорь про джерело живлення Home Tools 15V 12A: |
Хом Тулз 15-12 отличный аппарат. Пользуемся 2 года. Решили расширить мастерскую, ребята из БВП Электроникс посоветовали новую модель Лаб мини - попробуем. | | 05.06.2018 |
Виктор про джерело живлення Home Tools 15V 12A: |
В нашей мастерской в конце 2004 года появились два блока HomeTools15V12A и 20V20A, работали по сей день по 8-10 часов сутки. К сожалению не чего не бывает вечным, один из блоков вышел из строя, с начало мы его ремонтировали своими силами, и это не очень хорошо получалось. Решили позвонить в фирму изготовителя и нам ответили (Присылайте, отремонтируем). Отремонтировали в то же день когда получили и вечером уже отправили назад. Блоки питания рекомендую всем также сервис на высшем уровне. Личная благодарность Светлане. | | 01.05.2018 |
Юрий (Маски ) про джерело живлення Home Tools 15V 12A: |
Очень удобный "не убиваемый" аппарат | | 10.04.2017 |
Махинич Александр (ТОВ Пласис ) про джерело живлення Home Tools 30V 6A: |
От лица компании Пласис, и от себя лично хочу выразить благодарность компании BVP Electronics за отличный качественный БП и за оперативный и отменный сервис.
Спасибо! Вы пример правильного бизнеса. Так держать. | | 04.04.2017 |
Виталий (Home Lab Запорожье ) про джерело живлення Home Tools 30V 6A: |
Приобрел два таких источника для домашней мастерской. Преимущества: весьма компактный при мощности 180Вт, возможность использования в режиме источника тока и источника напряжения. Использован в ряде работ по светодиодным источникам света. Рекомендую к приобретению. | | 13.10.2016 |
Сергей про джерело живлення Home Tools 30V 6A: |
Приобрёл данный источник для дома. Понравилось отсутствие высокочастотных шумов, невысокие пульсации ( не более 0.1В на всех диапазонах ), компактность, удобство переключения режимов. Однозначно могу рекомендовать к покупке. | | 12.09.2016 |
Андрей (ТзОВ Топ-метал ) про джерело живлення Home Tools 15V 12A: |
БП купили 5 лет назад в лабораторию для тестирования работы гальванических ванн.
Маленький, легкий, отличная стабилизация тока. Атмосфера агрессивная, но поломок не было. Работа периодическая. Планируем купить еще. | | 05.05.2016 |
Дмитрий про джерело живлення Home Tools 15V 12A: |
Долго выбирали надежный источник питания для ремонта электроники, смотрели и китайские аналоги и зарубежные оригиналы. Пересмотрев кучу видео и перечитав много позитивных отзывов все же остановились на данном БП. Отдельное спасибо Евгению за быстрое оформление заказа и доставку. | | 24.06.2015 |
Иван про джерело живлення Home Tools 30V 6A: |
Заказал по телефону, менеджеры сработали оперативно через 2 дня получил! Источником питания доволен, компактный, плавная и точная регулировка. Сборка качественная, кто еще раздумывает берите не пожалеете! Фирме успехов в дальнейшем развитии! | | 16.05.2015 |
Евгений (IT - центр ) про джерело живлення Home Tools 30V 6A: |
Долго искал первоисточник. Купил так сказать из первых рук. Прибором доволен цена качество на высоте. Радует также оперативность оформления заказа и доставка. Блок питания со своими функциями справляется на отлично. Одним словом спасибо вам большое остался очень доволен покупкой. | | 14.02.2015 |
Денис (Сумский государственный университет ) про джерело живлення Home Tools 15V 12A: |
Хочу поблагодарить компанию BVP за высокий профессионализм в работе и человеческую позицию в общении. | | 10.12.2014 |
Вячеслав про джерело живлення Home Tools 30V 6A: |
Случилась неприятность - в источнике начал глючить индиктор. Позвонил ребятам, они сказали адрес, куда подъехать. Приехал, сразу на месте провели диагностику, оказался бракованый чип АЦП. В течении 30 минут чип заменили, источник откалибровали. Все по гарантии.
Спасибо большое за профессонализм и человеческое отношение!
| | 27.07.2014 |
Ігор Л. про джерело живлення Home Tools 30V 6A: |
Придбав кілька тижнів тому це БЖ і тепер можу сказати, що зробив правильний вибір, бо спочатку довго вибирав й не знав який в результаті візьму. Але врешті решт почитав відгуки в інтернеті а також рекомендації знайомих, які придбали собі БЖ цієї фірми - і більшість були позитивні і небезпідставно хвалебні, тим паче користуються ними вже доволі давно - і взяв собі один із серії HomeTools. Можу сказати порадувала швидка доставка та фахова консультація. Пристрій має компактні розміри, в комплекті інструкція а також порадувало, що виробник наш, вітчизняний. Всим рекомендую, спс. | | 13.12.2013 |
Ярослав (Берил ) про джерело живлення Home Tools 15V 12A: |
Користуюсь різними блоками живлення від BVP. Блок живлення з серіЇ Home Tools 15V/12A в користуванні понад 5 років в агресивному середовищі і проявив себе відмінно .Два інших понад рік постійно живлять гальванічні ванни , працюючи без проблем. Зараз купую Home Tools для іншого виробництва. Одним словом , рекомендую BVP. | | 02.10.2013 |
Юрий про джерело живлення Home Tools 15V 12A: |
Идеальный блок за смешные деньги!!! Используем для покрытия мелких деталей гальваникой | | 01.08.2013 |
Виктор про джерело живлення Home Tools 30V 6A: |
Блок 30V/5A Покупал в 2004 году, в течении этих лет эксплуатировался как лабораторный блок питания при разработке embedded устройств в том числе и измерительной аппаратуры, изредка как зарядное устройство для свинцовых аккумуляторов (автомобильных и гелевых).
При покупке были сомнения насколько будут велики пульсации на выходе блока (все-таки импульсник), однако за 8 лет НИРАЗУ не сталкивался со "звоном" источника питания, хота редко но приходилось работать с аналоговыми цепями.
За время эксплуатации было три выхода из строя. Но все по моей вине.
Первый раз вылетели силовые транзисторы и их окружение в высоковольтной части когда напряжение в сети было 290В (живу за городом - был перекос фаз). Чинил сам (благо схема блока была в инструкции).
Второй раз - переполюсовка при подключении к аккумулятору (БУДЬТЕ ОСТОРОЖНЫ), выгорел шунт на 1.5А.
Третий на 9-м году жизни - начал странно работать после очередной зарядки автомобильного аккумулятора. У меня, времени разбираться не было, решил обратиться к производителю.
Отремонтировати за один день ! Даже не пришлось никуда ездить! Приехали, забрали, на следующий день звонок – «вы на месте?» отвечаю – «да» «Мы вам хотим отдать Ваш блок питания, мы его починили». Заменили треснувший SMD резистор (который я ставил взамен выводного ), поставили новый шунт на 1.5А. При этом НИКТО ничего НЕ СКАЗАЛ типа «вы в нем лазили, а нам ремонтировать». Самое удивительное, что отремонтировали бесплатно. И это, при том, что мой блок был выпущен в 2004 году а сегодня 1012.
Блоком доволен на 100%, сервис – выше всяких похвал.
| | 07.11.2012 |
Александр. про джерело живлення Home Tools 15V 12A: |
Блок BVP Electronics 15V12A Home Tools безотказно эксплуатировался в течении 7-и лет! Использовался как источник питания при ремонте мобильных телефонов. Прибор очень удобен, позволяет в широком диапазоне варьировать напряжением и с высокой точностью контролировать потребление тока.
Очень чуткая и отзывчивая тех. поддержка, Светлана и Евгений, большое Вам спасибо!
| | 03.08.2012 |
Владислав (ООО"Изодром" ) про джерело живлення Home Tools 15V 12A: |
Блок BVP Electronics 15V12A Home Tools беспощадно эксплуатировался примерно 2 года, причем как стационарно, так и в полях. Все очень удобно, достаточно стабильные показания на выходе, независимо от напряжения в сети. Но не об этом. Покорил уровень сервиса, не свойственный для пост - советского пространства! После очередной командировки мой источник питания напрочь отказался выдавать напряжение. Я позвонил по телефону указанному в паспорте, и этого оказалось достаточным, чтобы приехал человек, забрал источник в ремонт, а на следующий день привезли отремонтированным. Очень удобно и оперативно. Наверное, за это ценят бренды. Спасибо! | | 25.06.2012 |
Гонтарук В.А. про джерело живлення Home Tools 15V 12A: |
Блок BVP Electronics 15V12A Home Tools куплен в мае 2011.Успешно используется для снятия временных и круговых диаграмм РПН на силовых трансформаторах. Также очень хорошо зарекомендовал себя этот прибор при измерениях омических сопротивлений обмоток трансформаторов мощностью до 80 МВА. Дополнительным и существенным преимуществом блока питания является его вес - около 1 кг,что очень важно при использовании его в командировках. | | 19.01.2012 |
Цуркан В.М. (Юнисистем, Киев ) про джерело живлення Home Tools 30V 6A: |
Куплен блок BVP Electronics 30V6A в январе 2009г. Применяется для питания различного электрооборудования и зарядки аккумуляторов. Работает пять дней в неделю по 8 часов. Блоком довольны, претензий к работе нет. | | 09.06.2011 |
Сергей (Luxoft Ukraine ) про джерело живлення Home Tools 15V 12A: |
Используем около 40 таких источников для тестирования автоелектроники, за 3 года отказов практически нет, источники работают бесшумно, что очнь радует. Из минусов - отсутствие заземляющего провода в приборах этой серии, приходится дополнительно заземлять нагрузку. | | 24.05.2011 |
Юрий (motorik ) про джерело живлення Home Tools 30V 6A: |
Используем уже четыре года. Для ремонта автомобильной электроники и электрики. Работает отлично, никаких нареканий! Просто, удобно, надежно! | | 24.12.2010 |
Игорь про джерело живлення Home Tools 30V 6A: |
Источник питания используется на предприятии в отделе ремонта и обслуживания автоматических систем около 2-х лет. Работает ежедневно,практически не выключаясь. Обеспечивает точную и плавную
регулировку значений напряжения и тока в рабочем диапазоне. Очень удобен при выезде на объект из-за малого веса. Идеальный прибор для зарядки любых аккумуляторов. При покупке казалось - дороговато за маленькую легковесную пластмассовую коробочку, но первые дни эксплуатации показали - серьезный прибор, своих денег стоит! | | 19.07.2010 |
Евгений про джерело живлення Home Tools 30V 6A: |
Постоянно пользуюсь этим источником - в домашних условиях он не заменим: то аккумуляторы зарядить, то программатор запитать, то вентиляторы включить... За несколько лет использования прибора настолько к нему привык, что уже и не представляю, как без него вообще можно обходится. Спасибо за качество, простоту и удобство! | | 15.07.2010 | Дивитися всі відгуки | Додати свій відгук
|
BVP Electronics E-mail: info@bvp.com.ua
Київ, Україна, тел/ф.: +38 (044) 492-13-28; +38 (067) 716-59-95; +38 (067) 251-00-86
Лабораторні імпульсні стабілізовані джерела живлення. Перетворювачі напруги.
|
|
|
|