UA | RU
BVP Electronics Facebook-страница BVP Electronics Instagram-страница BVP Electronics Youtube-канал BVP Electronics
Київ, Україна
+38 (044) 492-13-28
+38 (067) 716-59-95
+38 (067) 251-00-86
info@bvp.com.ua
НовиниПродукціяВідгукиПрайсФотогалереяСтаттіНаші координатиПро компанію

На жаль, цієї сторінки ще немає українською мовою :(

Блоки живлення, зняті з виробництва

 
   
Будь-яка птиця зі своїм джерелом живлення сита.
Народна перетворювальна мудрість
Выпрямители для гальванических ванн BVP в металлическом корпусе со встроенными таймером и счетчиком ампер-часов одновременно!
Максимальная выходная мощность до 1650 Вт, цифровая индикация, кнопочное управление, встроенный таймер/секундомер, два счетчика ампер-часов (ампер-минут), счетчик ватт-часов и ватт-метр, металлический корпус, масса до 4 кг. Для блоков питания с выходным током до 40 ампер в комплекте идут выходные провода длинной 1 метр с несъемными наконечниками типа «крокодил».
Вибір моделі:
1. Призначення:
Блоки питания BVP timer/ampere
Знято з виробництва!
Заміна - Lab TFT
/ BVP TBR
Источник питания применяется в различных областях: от исследовательских лабораторий и ремонтного производства до гальванопластики и ювелирной промышленности, в том числе в гальваническом производстве для защитно-декоративных покрытий. Особенностью источников является наличие встроенных таймера и универсального счетчика, работающих одновременно. Единица измерения счетчика - ампер-часы, ампер-минуты и ватт-часы. Небольшая выходная мощность, наличие таймера и счетчика в источнике ориентировано, в первую очередь, на электропитание малых гальванических ванн. Ровная без импульсов стабилизированная форма напряжения с низким уровнем пульсаций, возможность работы в стабилизации одного из выходных параметров длительное время благоприятно влияют на качество гальванических покрытий.
2. Основні технічні характеристики:

Вхідна напругавід 200 до 260 В, 50 Гц
Максимальна вихідна потужністьмодель BVP 30V 1.5A timer/ampere: 50 Вт
модель BVP 15V 15A timer/ampere: 248 Вт
модель BVP 15V 30A timer/ampere: 495 Вт
модель BVP 15V 60A timer/ampere: 990 Вт
модель BVP 30V 30A timer/ampere: 990 Вт
модель BVP 15V 100A timer/ampere: 1650 Вт
модель BVP 30V 50A timer/ampere: 1650 Вт Вт
Максимальна споживана потужність (при напрузі 230 В)модель BVP 30V 1.5A timer/ampere: 58 Вт
модель BVP 15V 15A timer/ampere: 290 Вт
модель BVP 15V 30A timer/ampere: 580 Вт
модель BVP 15V 60A timer/ampere: 1150 Вт
модель BVP 30V 30A timer/ampere: 1150 Вт
модель BVP 15V 100A timer/ampere: 1940 Вт
модель BVP 30V 50A timer/ampere: 1940 Вт Вт
Коефіцієнт корисної дії (ККД)не менше 85 %
Органи керування на передній панелі4 кнопки и 1 тумблер
Вихідна регульована напругамодель BVP 30V 1.5A timer/ampere: от 0.5 до 31.5 В
модель BVP 15V 15A timer/ampere: от 0.5 до 15.7 В
модель BVP 15V 30A timer/ampere: от 0.5 до 15.7 В
модель BVP 15V 60A timer/ampere: от 0.5 до 15.7 В
модель BVP 30V 30A timer/ampere: от 0.5 до 31.5 В
модель BVP 15V 100A timer/ampere: от 0.5 до 15.7 В
модель BVP 30V 50A timer/ampere: от 0.5 до 31.5 В
Дискретність установки та відображення напругидо 10 вольт - 0.01 В, свыше 10 вольт - 0.1 В
Вихідний регульований струммодель BVP 30V 1.5A timer/ampere: от 0.015 до 1.57 A
модель BVP 15V 15A timer/ampere: от 0.15 до 15.7 A
модель BVP 15V 30A timer/ampere: от 0.3 до 31.5 A
модель BVP 15V 60A timer/ampere: от 0.6 до 63 A
модель BVP 30V 30A timer/ampere: от 0.3 до 31.5 A
модель BVP 15V 100A timer/ampere: от 1 до 105 А
модель BVP 30V 50A timer/ampere: от 0.5 до 52.5 A
Дискретність установки та відображення струмумодель BVP 30V 1.5A timer/ampere: до 1 A - 1 мА, свыше 1 A - 10 мА
модель BVP 15V 15A timer/ampere: до 10 A - 0.01 А, свыше 10 A - 0.1 А
модель BVP 15V 30A timer/ampere: до 10 A - 0.05 А, свыше 10 A - 0.1 А
модель BVP 15V 60A timer/ampere: 0.1 А
модель BVP 30V 30A timer/ampere: до 10 A - 0.05 А, свыше 10 A - 0.1 А
модель BVP 15V 100A timer/ampere: до 100 A - 0.5 А, свыше 100 A - 1 А
модель BVP 30V 50A timer/ampere: 0.1 А
Индикация выходных параметров, для блоков < 1000 Втдва 3-х разрядных семисегментных индикатора с плавающим разделительным знаком: слева отображается таймер-секундомер (счетчик амперчасов/ваттметр), справа - вольтметр/амперметр
Индикация выходных параметров, для блоков > 1000 Вттри 3-х разрядных семисегментных индикатора с плавающим разделительным знаком: слева отображается вольтметр, по центру - таймер-секундомер (счетчик амперчасов/ваттметр), а справа - амперметр
Перехід із режиму стабілізації напруги в струм
і назад в залежності від параметру навантаження
автоматичне
Індикація режимів робітрежим стабілізації напруги - світлодіод зеленого кольору, стабілізації струму - червоного
Диапазон регулировки времени таймера/секундомераот 1 секунды до 9 часов 59 минут
Особенности таймера/секундомератаймер работает в часовом исчислении
Единица измерения универсального счетчикаампер-часы; ампер-минуты; ватт-часы в десятичной системе исчисления
Диапазон регулировки универсального счетчика:

1) Накопительный счетчик:
от 0.001 до 999 999.999 ампер-часов или ватт-часов с индикацией трех старших значащих разрядов, и возможностью просмотра младших разрядов;
от 0.01 до 999 999.59 ампер-минут с индикацией трех старших значащих разрядов, и возможностью просмотра младших разрядов.

2) дневной счетчик:
от 0.001 до 999.999 ампер-часов или ватт-часов с индикацией трех старших значащих разрядов;
от 0.01 до 999.59 ампер-минут с индикацией трех старших значащих разрядов.

Дневной счетчик может работать как накопительный, так и как счетчик-дозатор. В дозаторе обратный счет идет от стартового значения до нуля, при достижении нулевого значения происходит подача звукового сигнала: повторяющийся длинный сигнал.
Програмований режим закінчення роботи таймера або лічильника-дозатора при досягненні нуля- продовження протікання вихідного заданого струму;
- зниження вихідного струму до 10% від заданого ліміту струму;
- відключення вихідного струму;
Звукове сповіщення може бути відключено через меню блоку.
Захист від стрибків вхідної напруги, перевантажень, перегріву, коротких замиканьавтоматичне
Охолодженняпримусове повітряне
Діапазон робочих температурвід + 5°C до + 40°C
Режим роботикруглосуточно на полной мощности
Габаритні розміри, Ш х В х Гмодель BVP 30V 1.5A timer/ampere: 225 х 115 х 235 мм
модель BVP 15V 15A timer/ampere: 225 х 115 х 235 мм
модель BVP 15V 30A timer/ampere: 225 х 115 х 235 мм
модель BVP 15V 60A timer/ampere: 225 х 115 х 235 мм
модель BVP 30V 30A timer/ampere: 225 х 115 х 235 мм
модель BVP 15V 100A timer/ampere: 275 х 115 х 260 мм
модель BVP 30V 50A timer/ampere: 275 х 115 х 260 мм
Маса джерела живленнямодель BVP 30V 1.5A timer/ampere: 2.2 кг
модель BVP 15V 15A timer/ampere: 2.3 кг
модель BVP 15V 30A timer/ampere: 2.6 кг
модель BVP 15V 60A timer/ampere: 2.8 кг
модель BVP 30V 30A timer/ampere: 2.8 кг
модель BVP 15V 100A timer/ampere: 4 кг
модель BVP 30V 50A timer/ampere: 4 кг
3. Інструкції користувача:
4. Програмне забезпечення: BVP Controller
5. Гарантия на источник питания BVP timer/ampere - 3 роки
6. Статті:
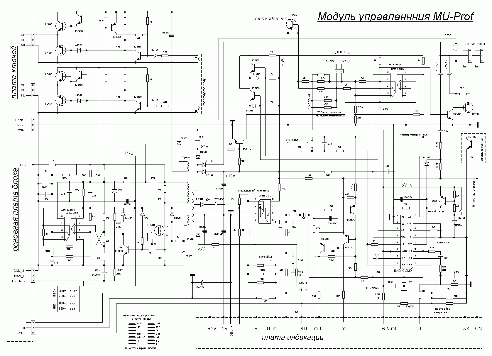
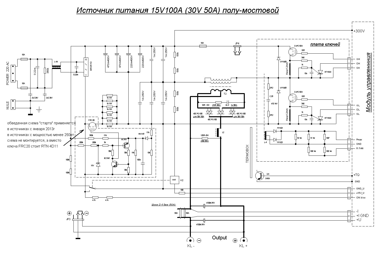
7. Схеми:
8. Відгуки (7):
Валентин
про джерело живлення
BVP timer/ampere 15V 15A:
На виробництві працює два блоки BVP, якщо не помиляюсь, то один з них вже 6 років працює без зауважень. Беремо новий, більш потужний на 60А. Використовуємо під час роботи і таймер і лічильник, дуже задоволені.
31.08.2023
Виталий
про джерело живлення
BVP timer/ampere 15V 60A:
Пользуюсь двумя блоками на 15 вольт 30 и 60 ампер на протяжении 3х лет для гальванопластики. В работе ни каких замечаний и нареканий- показали себя на отлично! Покупкой доволен, собираюсь заказать ещё один. Ещё бы немножко над дизайном корпуса поработать (защиту дисплея сделать с внутренней стороны и кнопочки посолидней) или хот и можно выходить на мировой рынок)
03.02.2020
Василий
(
ОАО ВЗРД МОНОЛИТ
) про джерело живлення
BVP timer/ampere 15V 60A:
Блок хороший, простой в управлении. Но почему в режиме отображения минут/cекунд, мигает точка в младшем разряде индикатора, а не в разряде единиц минут?
30.10.2017
Руслан
про джерело живлення
BVP timer/ampere 15V 15A:
Спасибо за блок. Вот такой сувенирчик я сотворил при помощи вашего блочка.
22.09.2016
Александр М.
(
Литек
) про джерело живлення
BVP timer/ampere 15V 60A:
Пользуемся блоками около года. За это время не было ни единого нарекания по работе. Блоки работали в различных режимах вплоть до максимальных токов продолжительное время без малейших отклонений. Спасибо Вам огромное. Будем работать с вами и далее.
16.10.2015
Константин
про джерело живлення
BVP timer/ampere 15V 30A:
Приобрел источник питания для гальваники. Прибор сконструирован и собран с умом. Работает отлично. Присоединяясь к предыдущему отзыву, хочу обратить внимание на качество сервиса и консультаций - все на высшем уровне! Следующее оборудование (реверс и пр) буду заказывать в этой компании.
15.08.2014
Николай
про джерело живлення
BVP timer/ampere 15V 60A:
Пользуюсь три недели. Очень доволен, так как источник обладает не только отличными характеристиками: стабилизирует напряжение вплоть до сотой 5.05, но также и отличным дисплейно-кнопочним управлением!!!
19.04.2013
Дивитися всі відгуки | Додати свій відгук
*Ім'я: E-mail:
Компанія: Відображати email:
*Джерело живлення:
 *Відгук:



BVP Electronics       E-mail: info@bvp.com.ua
Київ, Україна, тел/ф.: +38 (044) 492-13-28; +38 (067) 716-59-95; +38 (067) 251-00-86
Лабораторні імпульсні стабілізовані джерела живлення. Перетворювачі напруги.