 |
На жаль, цієї сторінки ще немає українською мовою :(
Блоки живлення, зняті з виробництва
|
|
| |
|
Правда добре, а з блоком живлення краще. Народна перетворювальна мудрість |
|
|
|
|
| Промышленные модульные источники питания BVP Pro с выходной мощностью от 1.5 до 9 кВт |
| Максимальная выходная мощность до 9000 Вт, модульная конструкция. |
| 1. Призначення: |
Модульные источники питания предназначены для питания постоянным током технологическое оборудование. Изготавливается с диапазоном установки тока от 100А до 600А (модель BVP Pro 15V100A) и
напряжения от 30В до 180В (модель BVP Pro 30V50A). Источники состоят из модулей фиксированной мощности. Максимальная выходная мощность определяется количеством силовых модулей. Источники
управляются как в ручном (с передней панели головного модуля) так и программируемом режимах. Модульная конструкция предполагает как параллельное, так и последовательное подключение модулей |
2. Спецификация выходных данных
| Вхідна напруга | від 200 до 260 В, 50 Гц |
| Максимальна вихідна потужність | до 9000 Вт |
| Коефіцієнт корисної дії (ККД) | не менше 85 % |
| Органи керування на передній панелі | 5 кнопок та 1 тумблер |
| Крок індикації вихідної напруги | 0.1 В |
| Крок індикації вихідного струму | модель BVP Pro 15V 100A RS-232: 1 А модель BVP Pro 30V 50A RS-232: 0.1 А |
| Індикація вихідних параметрів | два 3-х розрядних семисегментних індикатора |
Перехід із режиму стабілізації напруги в струм і назад в залежності від параметру навантаження | автоматичне |
| Індикація режимів робіт | режим стабілізації напруги - світлодіод зеленого кольору, стабілізації струму - червоного |
| Нестабильность выходного напряжения источника от изменения входного напряжения на 10% от номинального значения в
режиме стабилизации напряжения не превышает | 0.01% Uвих за час вимірювання (1-10 сек) |
| Основна похибка установки і відображення величини вихідної напруги джерела | 1.5% Uвих одна градація молодшого розряду |
| Пульсації вихідної напруги джерела в режимі стабілізації напруги при навантаженні 0.9 Imax не перевищують: | 33 мВ ефективного значення, 400 мВ амплітудного значення |
| Захист від стрибків вхідної напруги, перевантажень, перегріву, коротких замикань | автоматичне |
| Охолодження | примусове повітряне |
| Діапазон робочих температур | від + 5°C до + 40°C |
| Режим роботи | цілодобово |
|
| В/А \ количество модулей | 1 головной | 2 | 3 | 4 | 5 | 6 |
| Параллельное подключение модулей 15В - 100А | 15В - 100А | 15В - 200А | 15В - 300А | 15В - 400А | 15В - 500А | 15В - 600А |
| Последовательное подключение модулей 15В - 100А | 15В - 100А | 30В - 100А | 45В - 100А | 60В - 100А | 75В - 100А | 90В - 100А |
| Параллельное подключение модулей 30В - 50А | 30В - 50А | 30В - 100А | 30В - 150А | 30В - 200А | 30В - 250А | 30В - 300А |
| Последовательное подключение модулей 30В - 50А | 30В - 50А | 60В - 50А | 90В - 50А | 120В - 50А | 150В - 50А | 180В - 50А |
| Максимальна вихідна потужність | 1500 Вт | 3000 Вт | 4500 Вт | 6000 Вт | 7500 Вт | 9000 Вт |
| Высота (ширина - 275мм, глубина - 260мм) | 115 мм | 230 мм | 345 мм | 460 мм | 575 мм | 690 мм |
| Вес | 4 кг | 7.8 кг | 11.6 кг | 15.4 кг | 19.2 кг | 23 кг |
|
3. Інструкції користувача:
|
| 4. Гарантия на источник питания BVP Pro - 24 месяца |
5. Статті:
|
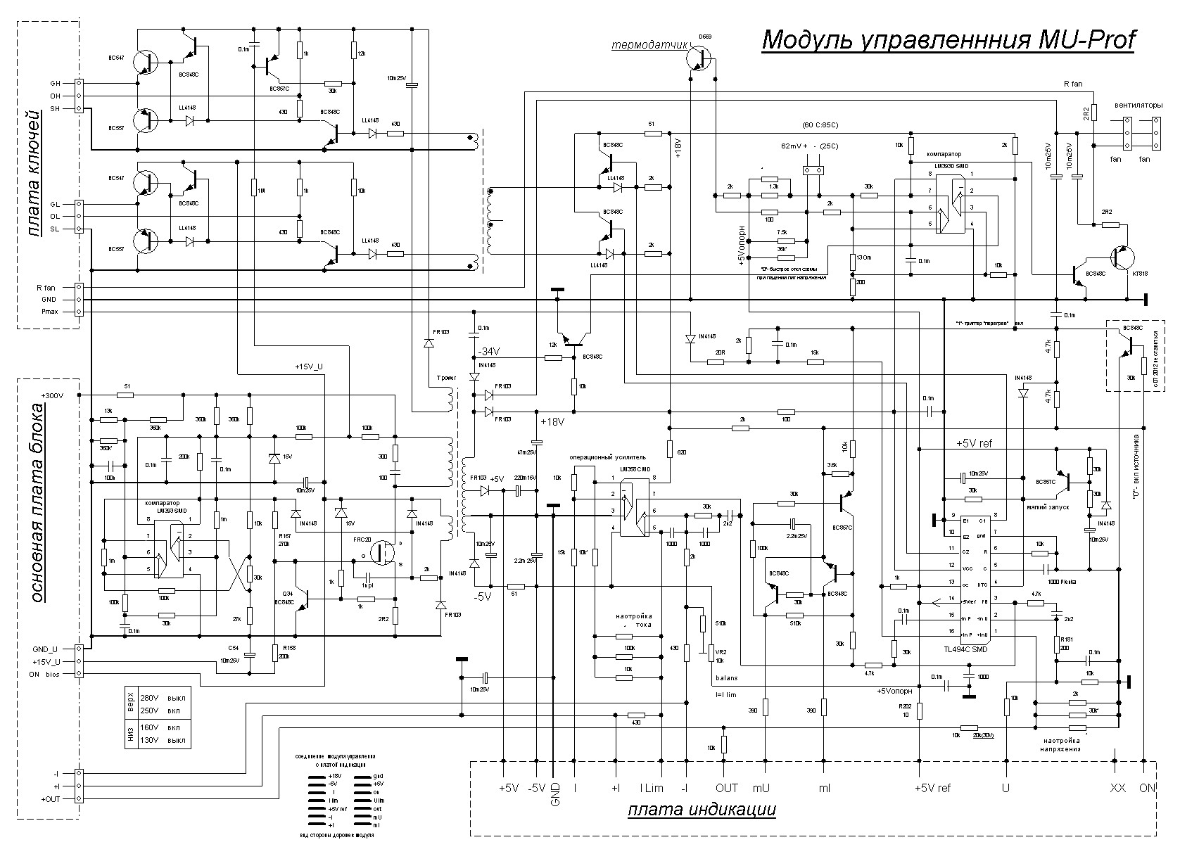
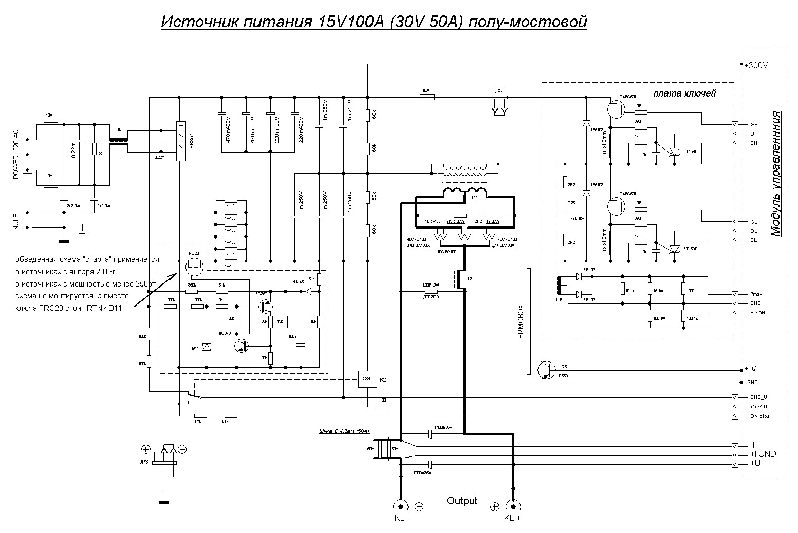
6. Схеми:
|
7. Метрологічна атестація:
| 8. Відгуки (2):
Оксана про джерело живлення BVP Pro 15V 100A RS-232: |
Выпрямитель BVP Pro 15V 100A RS-232 брался два года назад для процесса электрорафинирования металлов.
Нареканий в работе нет: все рабоает без сбоев, кнопочное управление действительно удобно, есть возможность докупить дополнительные модули для увеличения напряжения или тока, тихий, компактный. Любые возникающие вопросы в процессе работы можно решить с менеджером, т.е. вас не бросают на произвол судьбы (за что огромное спасибо).
Так же работала на предприятии,где данных выпрямителей уже, как минумум, штук 20 (первые 7, из которых были закуплены в далеком 2005 и которые работают по сей день). Опять же к работе выпрямителей нет вопросов.
Самое главное при выборе необходимого вам оборудования следует внимательно отнестись к тем условиям, в которых оно будет использоваться. Иногда руководители фирм, пытаясь съекономить, покупают более дешевый вариант "лабораторный", хотя планируют использовать выпрямители в агрессивных цеховых условиях | | 25.10.2019 |
Александр (Диамант-Канев ) про джерело живлення BVP Pro 30V 50A RS-232: |
Приобрели источник питания 2 года назад на предприятие для работы в агрессивных средах по рекомендации производителя. Прибор за все время эксплуатации работает без сбоев, стабильно выдерживает заданные рабочие токи при различных нагрузках. Планируем провести замену всех устаревших (советских(:) источников на предприятии, т. к. нашли решение для оптимизации технологического процесса. Благодарим всех сотрудников BVP Elektronics за качество их продукции! | | 08.02.2018 | Дивитися всі відгуки | Додати свій відгук
|
BVP Electronics E-mail: info@bvp.com.ua
Київ, Україна, тел/ф.: +38 (044) 492-13-28; +38 (067) 716-59-95; +38 (067) 251-00-86
Лабораторні імпульсні стабілізовані джерела живлення. Перетворювачі напруги.
|
|
|