 |
На жаль, цієї сторінки ще немає українською мовою :(
Блоки живлення, зняті з виробництва
|
|
| |
|
Язик до Києва доведе, а BVP Electronics до блоків живлення . Народна перетворювальна мудрість |
|
|
|
|
| Источники питания BVP AB для работы с аккумуляторными батареями 12 вольт |
| Максимальная выходная мощность до 913 Вт, корректировка напряжения от 13.5В до 14.5 В, максимальный ток до 60А, два цифровых
индикатора - вольтметр и амперметр, пластмассовый корпус, масса - 2.3 кг. |
| 1. Призначення: |
 Знято з виробництва! Заміна - AB TFT Источник питания предназначен для обеспечения стабильным питающим напряжением и током аккумуляторную батарею непосредственно на автомобиле при испытаниях, ремонте
автомобильного электрооборудования и аппаратуры, инсталляции автомобиля. Возможность подстройки выходного напряжения, параллельная цифровая индикация выходного напряжения
и тока, а также наличие защиты источника от переполюсовки, перегрузки и короткого замыкания при подключении к аккумуляторной батарее придают сервисные удобства при работе
с источником питания. |
2. Основні технічні характеристики:
| Вхідна напруга | від 200 до 260 В, 50 Гц |
| Максимальна вихідна потужність | модель 14V 30A: 420 Вт модель 14.5V 60A: 870 Вт |
| Максимальна споживана потужність (при напрузі 230 В) | модель 14V 30A: не більше 500 Вт модель 14.5V 60A: не більше 1000 Вт |
| Коефіцієнт корисної дії (ККД) | не менше 85 % |
| Органи керування на передній панелі | 1 переменный резистор и 1 тумблер |
| Выходное напряжение | модель 14V 30A: нерегулируемое, 14 В модель 14.5V 60A: регулируемое, 13.5 - 14.5 В |
| Крок індикації вихідної напруги | 0.1 В |
| Выходной максимальный ток | модель 14V 30A: 30 А модель 14.5V 60A: 60 А |
| Крок індикації вихідного струму | 0.1 А |
| Індикація вихідних параметрів | два 3-х розрядних семисегментних індикатора |
Перехід із режиму стабілізації напруги в струм і назад в залежності від параметру навантаження | автоматичне |
| Індикація режимів робіт | режим стабілізації напруги - світлодіод зеленого кольору, стабілізації струму - червоного |
| Захист від стрибків вхідної напруги, перевантажень, перегріву, коротких замикань та переполюсування при підключенні до акумуляторної батареї | автоматичне |
| Охолодження | примусове повітряне |
| Діапазон робочих температур | від + 5°C до + 40°C |
| Режим роботи | цілодобово |
| Габаритні розміри, Ш х В х Г | модель 14V 30A: 150 х 100 х 205 мм модель 14.5V 60A: 240 х 100 х 240 мм |
| Маса джерела живлення | модель 14V 30A: 1.4 кг модель 14.5V 60A: 2.3 кг |
|
3. Інструкції користувача:
|
| 4. Гарантія на джерела живлення AB Tools - 3 роки |
5. Статті:
|
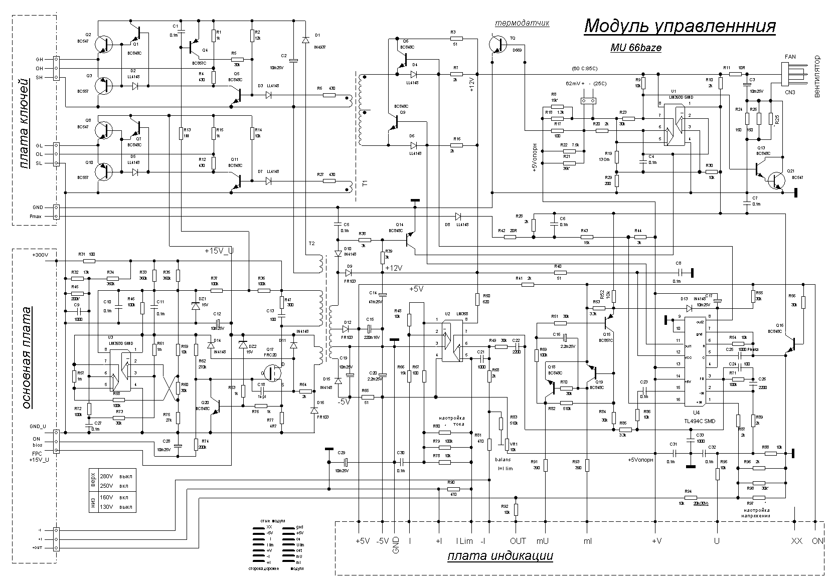
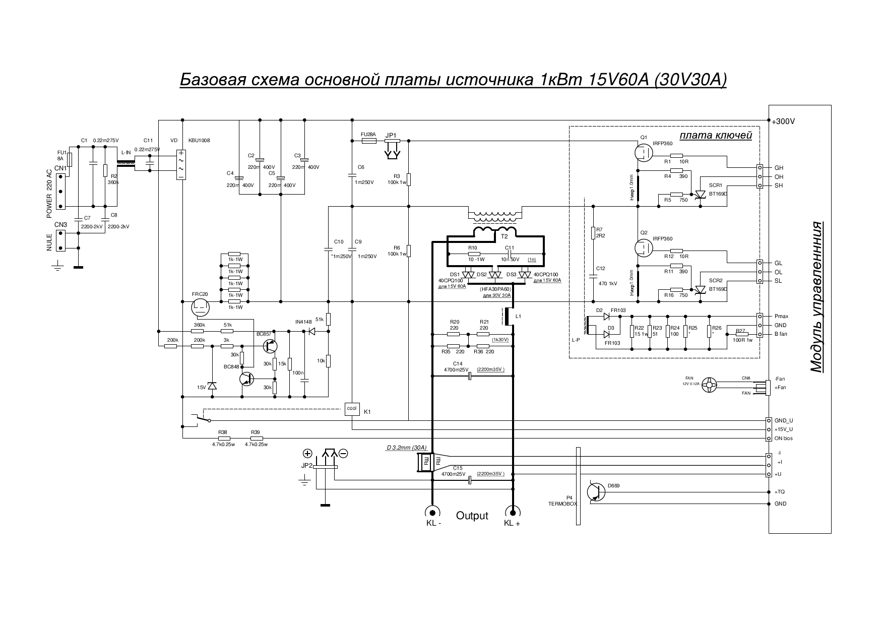
6. Схеми:
| 7. Відгуки (19):
Павло про джерело живлення AB Tools 14.5V 60A: |
| | 21.07.2023 |
Вячеслав про джерело живлення AB Tools 14.5V 60A: |
 Не заменимое устройство для программирования блоков, особенно капризные в этом деле автомобили BMW. Покупаем уже не первый прибор. На рынке это самый выгодный вариант в соотношении качество - цена. | | 07.09.2021 |
Николай (Deutsche Garage ) про джерело живлення AB Tools 14.5V 60A: |
Берем уже 3-й прибор, качество на уровне, спасибо ребятам! | | 11.08.2021 |
Макс (ZelmanMotors ) про джерело живлення AB Tools 14.5V 60A: |
Огромная благодарность ребятам за создание такого прекрасного и полезного аппарата, он стоит своих денег и на 100% выполняет свою функцию. Очень прост в обращении, очень полезен при работе с автомобилем, кодировки, программирование и просто как зарядное устройство. | | 30.09.2020 |
huseyn про джерело живлення AB Tools 14.5V 60A: |
прекрасный аппарат . 6 год уже используется недавно купил новую версию. идеально просто | | 28.09.2019 |
Владимир про джерело живлення AB Tools 14.5V 60A: |
Отлично справляется. Полная перепрошивка BMW E и F серий проходит на ура. Никаких нареканий. | | 01.06.2019 |
Александр про джерело живлення AB Tools 14.5V 60A: |
7 Лет пользуюсь!!!
Условия использования бывают плохие.
Выдержал все, по сей день.
Тех поддержка , лучше не видел.
Спасибо !
Всем рекомендую!!! | | 10.10.2018 |
Александр про джерело живлення AB Tools 14.5V 60A: |
В 2014 году купил два таких блока себе и товарищу для предотвращения разрядки аккумулятора во время длительных работ с включенным зажиганием (поиск неисправностей, программирование). В течении рабочего дня минимум час блок в работе. Очень приятно работать, никаких проблем, всё работает как часики. Спасибо огромное компании за их труд. Были и отключение по перегреву, и долгие работы при токе 60А, бывали и к.з. по выходу - со всем справляется. Перед новым годом один блок перестал включаться, когда холодный. Позвонил в компанию - приятно удивился когда меня назвали по имени, объяснил проблему. Светлана, с которой разговаривал, проконсультировалась со специалистами и приняли решение отправить блок в Киев. Когда блок получили в Киеве, ещё были телефонные консультации по симптомам неисправности, т.к. в лаборатории блок работал без проблем. Через день мне был отправили отремонтированный блок. Всё работает, проблема устранена. Очень доволен сервисом. Успехов всем сотрудникам компании и здоровья | | 09.01.2018 |
Николай про джерело живлення AB Tools 14.5V 60A: |
Незаменимый помощник для програмирования на СТО, берем уже 2 ой раз, приятно что всегда в наличии и по конкурентной цене. Спасибо Вам. | | 20.12.2016 |
ТАРАС (ASTANA WORKSHOP ) про джерело живлення AB Tools 14.5V 60A: |
ПРИОБРЕЛИ ЗАРЯДНОЕ УСТРОЙСТВО ВСЕ УТСРАЙВАЕТ РЕБЯТА ПОМОГАЮТ СОВЕТАМИ ДИСТАНЦИОННО.
ЗАКАЗЫВАЕМ ЕЩЕ ОДНО ТАК КАК АВТОСЕРВИС БОЛЬШОЙ И ОДНОГО МАЛО.
ПРОСТОЙ, НАДЕЖНЫЙ, КАЧЕСТВЕННЫЙ!
НАРЕКАНИЙ НИКАКИХ НЕТУ, ТОЛЬКО ПЛЮСЫ. | | 23.11.2016 |
Александр (avtoelectronica.com.ua ) про джерело живлення AB Tools 14V 30A: |
Для кодирования,программирования автомобилей, незаменимая вещь.Зарядным очень доволен Спасибо. | | 19.09.2016 |
Павло (bmw-service ) про джерело живлення AB Tools 14.5V 60A: |
купляв для програмування BMW, цілком виправдовує свою ціну. задоволений | | 18.07.2016 |
Вячеслав (Минск ) про джерело живлення AB Tools 14.5V 60A: |
Отличный аппарат, использую для программирования авто BMW. Испытано на всех сериях в том числе и на Fках, 60 ампер хватает главное что бы аккумулятор был заряжен. Заказывал из Минска через знакомых, однако могли доставить и прямо домой. | | 08.11.2015 |
славик (vvv ) про джерело живлення AB Tools 14.5V 60A: |
А чего цена такая,там золото есть? | | 08.10.2015 |
Андрей (г.Дубно ) про джерело живлення AB Tools 14.5V 60A: |
Покупал для работы с авто BMW.То что надо!Удачных продаж! | | 27.11.2014 |
Коваленко Дмитрий (ООО "3С Автоэлит" ) про джерело живлення AB Tools 14.5V 60A: |
Использую данный источник питания уже 4 года. На СТО покупали 2 шт. Причем, эксплуатация в "тяжелых" условиях (температуры от -15, в дождь и т.п) почти без перерыва. Ни разу не подвело. Зарядное зарекомендовало себя как очень НАДЕЖНОЕ. | | 28.10.2014 |
Алексей про джерело живлення AB Tools 14.5V 60A: |
Недавно столкнулся с вопросом подбора зу к себе в сервис тк имеющиеся зу не тянут большого тока при работе с иномарками - ребята посоветовали заглянуть сюда почитал описание, посоветовался с людьми решил остановиться здесь и цены приемлимые и гарантия хорошая! | | 04.07.2013 |
Владимир про джерело живлення AB Tools 14.5V 60A: |
Источник питания реально отличная вещь! Работаем с электроникой бмв,мерседес,и очень важно в процессе программирования стабильное напряжение,независимо от включенных потребителей. Всем требованиям полностью соответствует.Ближайшие импортные конкуренты как минимум в 2-3 раза дороже.Рекомендую! | | 18.05.2013 |
Евгений про джерело живлення AB Tools 14.5V 60A: |
Данным источник питания приобрел для работы с машинами марки BMW. Прибором остался очень доволен, поскольку он без проблем позволяет держать заданное постоянное напряжение, даже на BMW 7 серии. | | 17.09.2012 | Дивитися всі відгуки | Додати свій відгук
|
BVP Electronics E-mail: info@bvp.com.ua
Київ, Україна, тел/ф.: +38 (044) 492-13-28; +38 (067) 716-59-95; +38 (067) 251-00-86
Лабораторні імпульсні стабілізовані джерела живлення. Перетворювачі напруги.
|
|
|
|